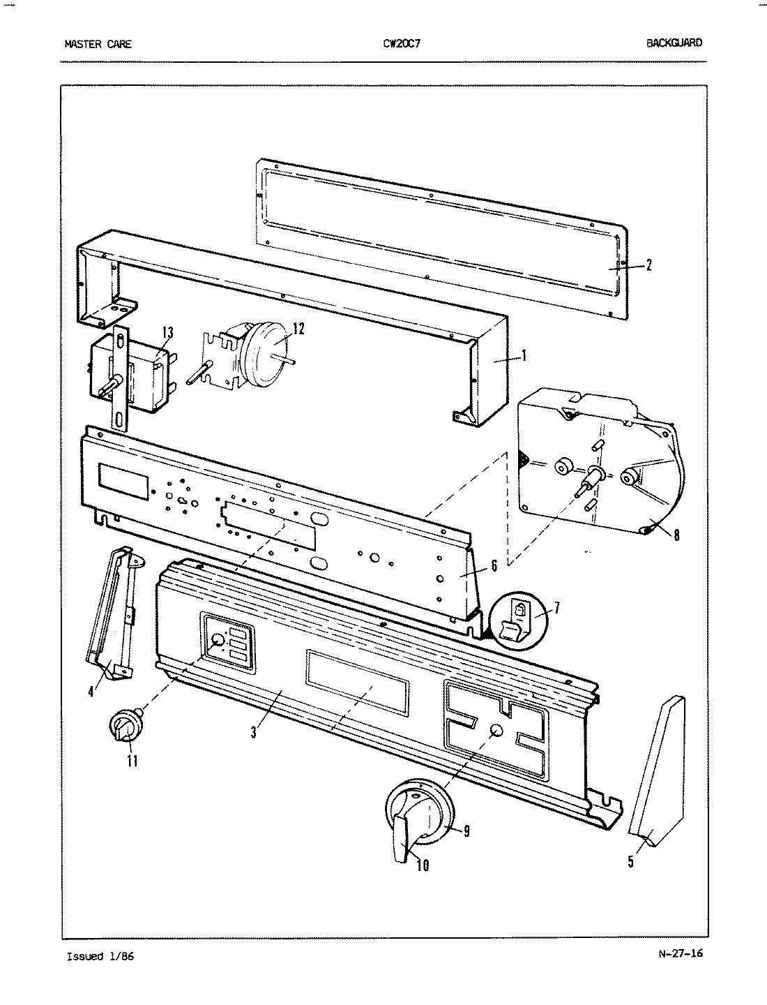
CW20C7W 02 – CONTROL PANEL (ORIG. REV. A-B)admin2025-04-26T11:19:29+00:00CW20C7W 02 – CONTROL PANEL (ORIG. REV. A-B) ProductsPositionProduct1MAY 33-96682MAY 33-37012MAY 33-40622MAY 33-89092MAY 25-74352MAY 34-94873MAY 25-77603MAY 35-00434MAY 33-67655MAY 25-74965MAY 33-67666MAY 53-02437MAY 25-74618NOT REQUIRED PART OR SEE NOTE FUSE (NOT REQUIRED)8MAY 33-98038MAY 35-01178MAY 35-04919MAY 35-015910MAY 25-604410MAY 35-049510MAY 33-286211MAY 35-015812MAY 35-011213WP90767 Whirlpool Screw13MAY 35-0114