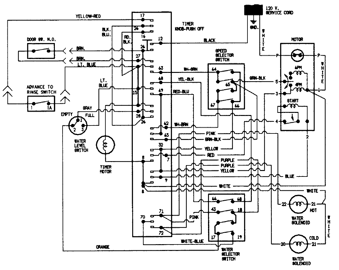
CW20T8VC 07 – WIRING INFORMATIONadmin2025-04-26T11:19:14+00:00CW20T8VC 07 – WIRING INFORMATION ProductsPositionProductNIMAY 15001241