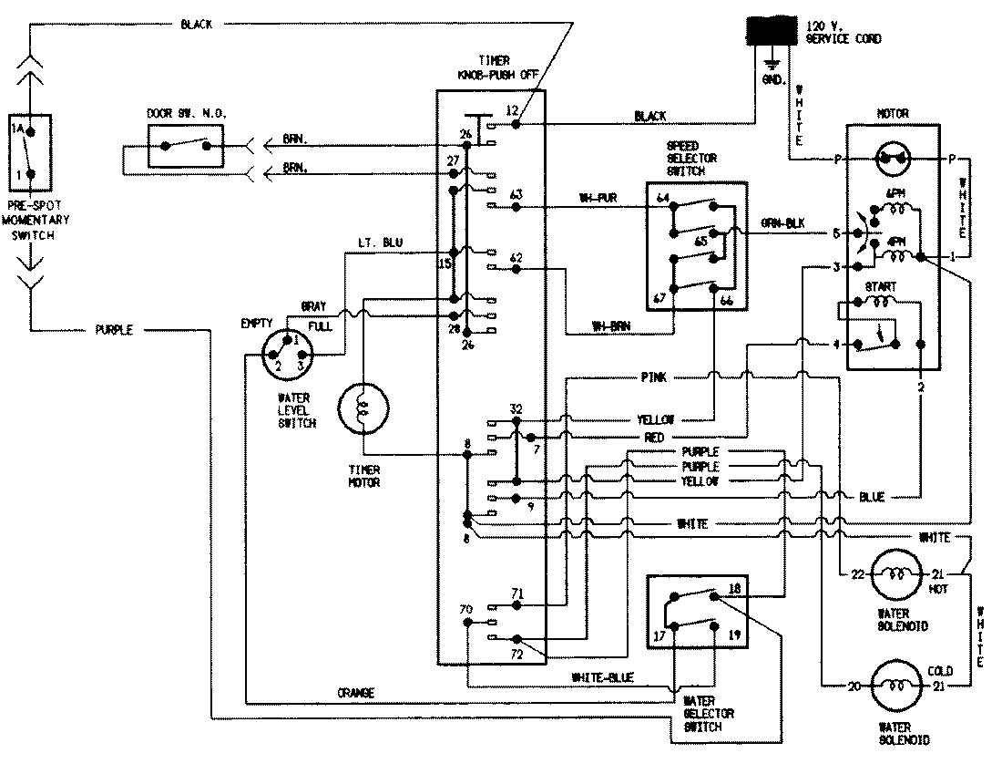
CW22B7V 08 – WIRING INFORMATIONadmin2025-04-26T11:17:48+00:00CW22B7V 08 – WIRING INFORMATION ProductsPositionProductNIMAY 15001448NIMAY 15001900