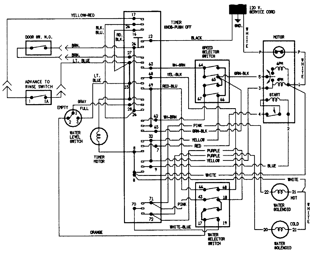
CW22B8M 08 – WIRING INFORMATIONadmin2025-04-26T11:19:04+00:00CW22B8M 08 – WIRING INFORMATION ProductsPositionProductNIMAY 15001908NIMAY 15001241