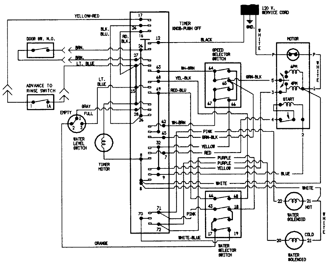
CW22B8V 08 – WIRING INFORMATIONadmin2025-04-26T11:20:15+00:00CW22B8V 08 – WIRING INFORMATION ProductsPositionProductNIMAY 15001908NIMAY 15001241