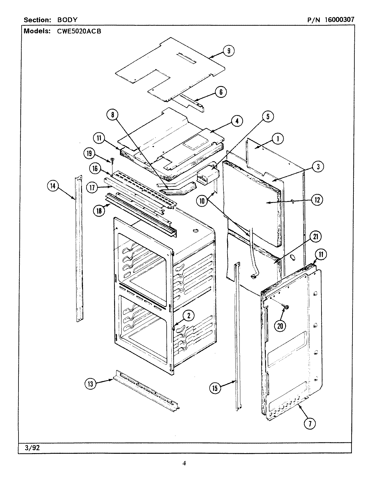
CWE5020ACB 01 – BODY (CWE5020ACB)admin2025-04-26T08:55:09+00:00CWE5020ACB 01 – BODY (CWE5020ACB) ProductsPositionProduct1MAY 4002F143-512MAY 7112P020-603MAY 3804F101-514MAY 3804F053-515MAY 4006W046-156MAY 3604F101-807MAY 2618F056-517MAY 2618F055-518MAY 3818W002-159MAY 4005F202-5110MAY 8026P014-6011MAY 7002P107-6012MAY 7002P111-6013MAY 7706P075-6014MAY 7750P033-6015MAY 7750P034-6016MAY 7706P078-6017MAY 7706P198-6018MAY 7756P025-6019MAY 7103P051-6019SCREW19NUT, SNAP (ROUND-WHT)19MAY 7103P040-6020MAY 7101P061-6021MAY 7002P006-60