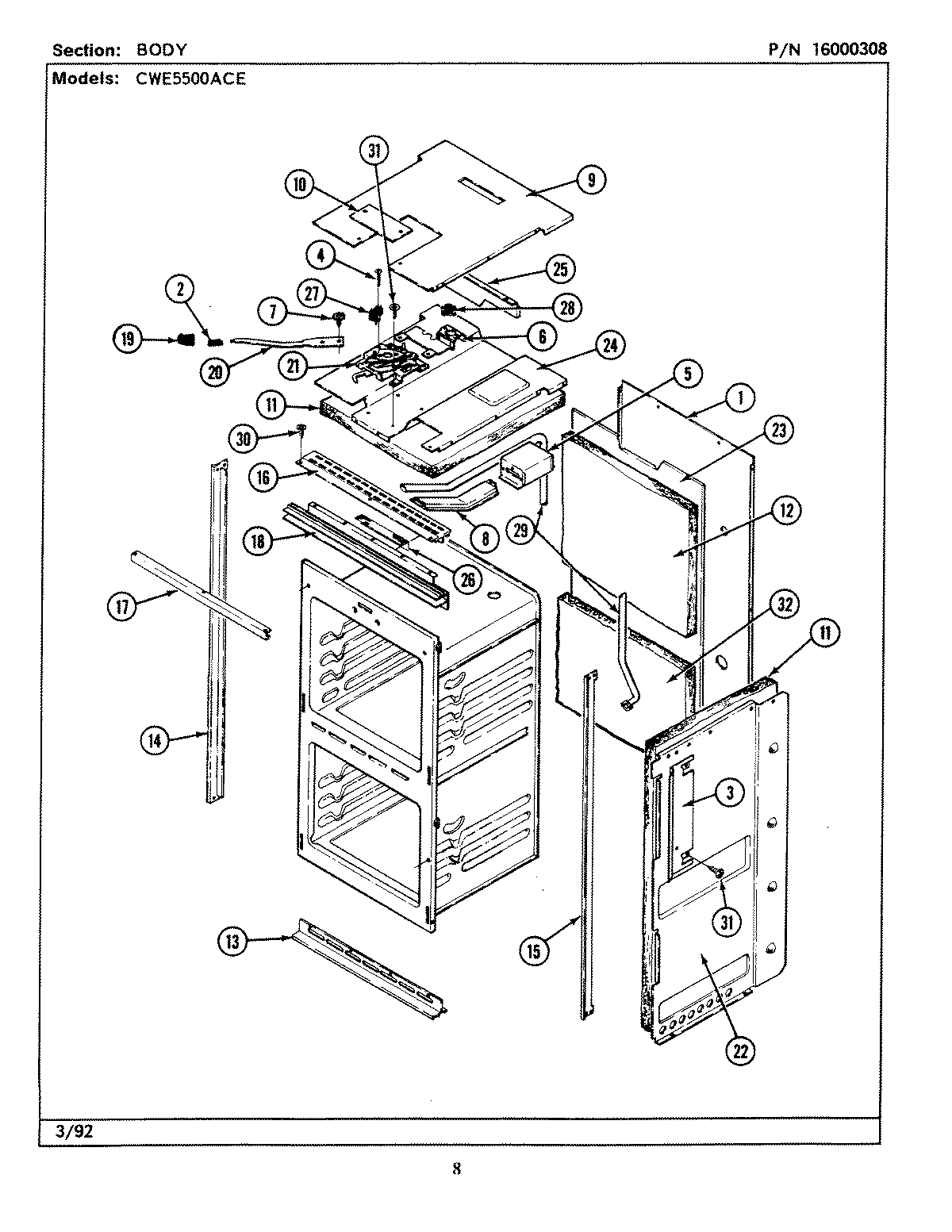
CWE5500ACE 01 – BODY (CWE5500ACE)admin2025-04-26T08:54:56+00:00CWE5500ACE 01 – BODY (CWE5500ACE) ProductsPositionProduct1MAY 4002F143-512MAY 7112P003-603MAY 3601F130-514MAY 7101P035-605MAY 4006W046-156MAY 3801F128-457WP4159193 Whirlpool Screw8MAY 3818W002-159MAY 4005F202-5110MAY 4005F160-4511MAY 7002P108-6012MAY 7002P112-6013MAY 7706P075-6014MAY 7750P033-6015MAY 7750P034-6016MAY 7706P078-6017MAY 7756P045-6018MAY 7756P024-6019MAY 7701P089-6020MAY 8009P011-6020MAY 7214P020-6021MAY 7003P011-60218002P072-60 Whirlpool Door Latch22MAY 2618F056-5122MAY 2618F055-5123MAY 3804F101-5124MAY 3804F053-5125MAY 3604F101-8026MAY 3604F048-8027MAY 7403P007-6029MAY 8026P014-6030MAY 7103P051-6030MAY 7103P040-6030NUT, SNAP (ROUND-WHT)30SCREW31MAY 7101P061-6032MAY 7002P007-60