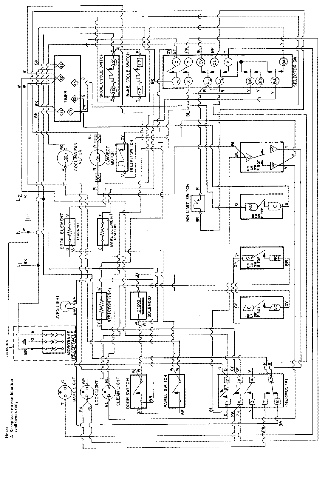
CWE6230ADB 08 – WIRING INFORMATIONadmin2025-04-26T08:55:01+00:00CWE6230ADB 08 – WIRING INFORMATION ProductsPositionProductNIMAY 15001520