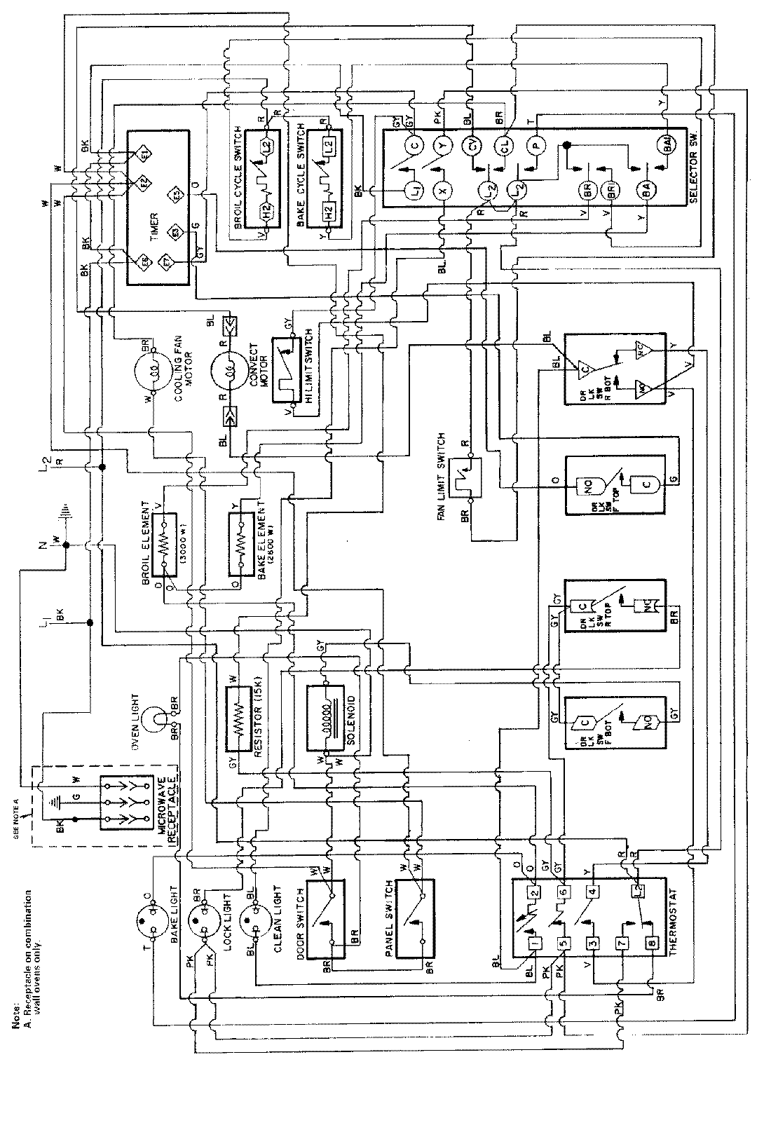
CWE6230ADE 07 – WIRING INFORMATIONadmin2025-04-26T08:54:48+00:00CWE6230ADE 07 – WIRING INFORMATION ProductsPositionProductNIMAY 15001520