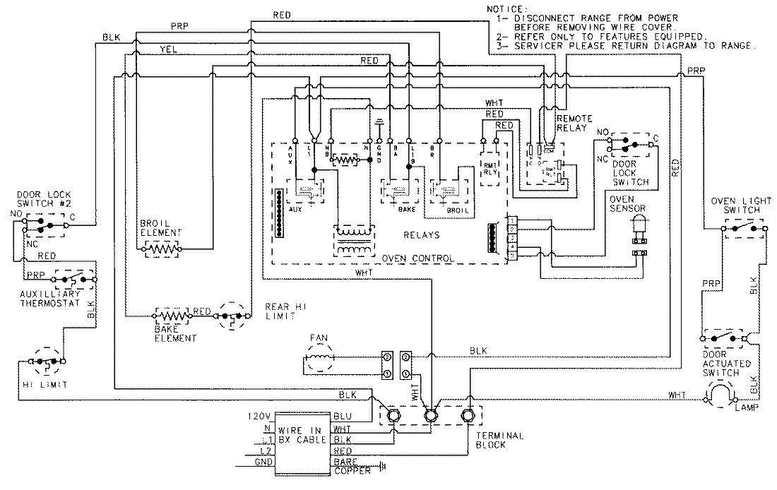
CWE9000CDE 06 – WIRING INFORMATIONadmin2025-04-26T08:55:28+00:00CWE9000CDE 06 – WIRING INFORMATION ProductsPositionProductNIMAY 15001327