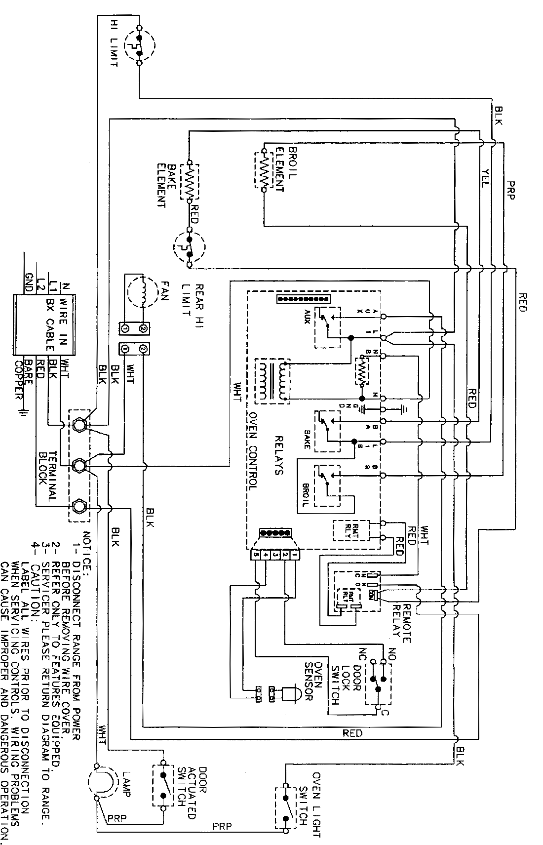
CWE9000DDE 06 – WIRING INFORMATIONadmin2025-04-26T08:54:48+00:00CWE9000DDE 06 – WIRING INFORMATION ProductsPositionProductNIMAY 15001863