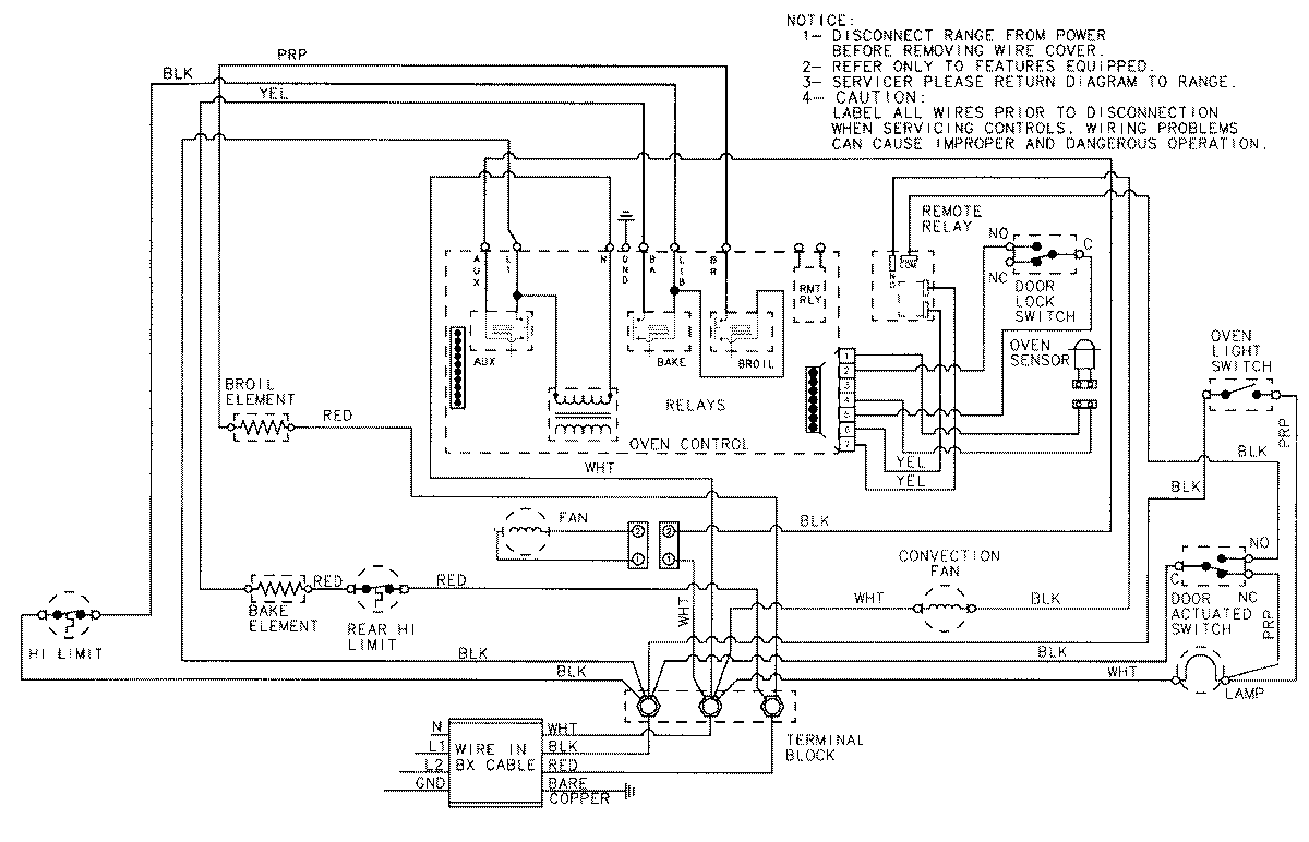
CWE9030BCE 07 – WIRING INFORMATIONadmin2025-04-26T08:54:56+00:00CWE9030BCE 07 – WIRING INFORMATION ProductsPositionProductNIMAY 15001488