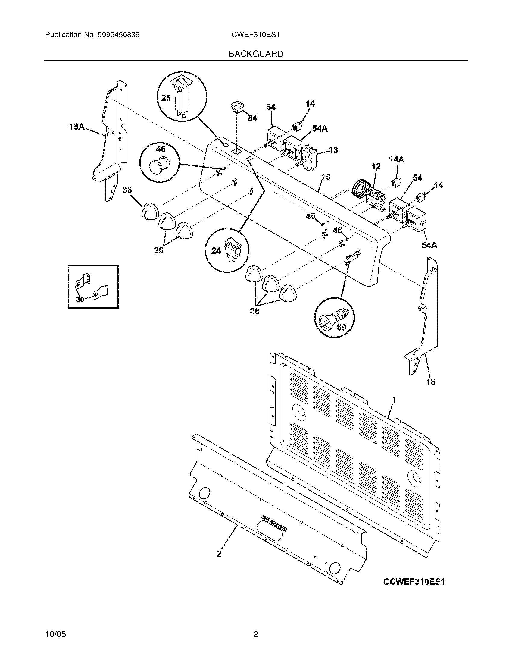
CWEF310ES1 03 – BACKGUARDadmin2025-04-26T08:53:46+00:00CWEF310ES1 03 – BACKGUARD ProductsPositionProductNISCREW,TRUSS HEAD,8-18 X 0.375NI5303323137 Frigidaire Oven ScrewNI5303211311 Frigidaire Refrigerator Screw1WCI 3183141002WCI 31831870112318059310 Frigidaire Thermostat13WCI 31805791014316022500 Frigidaire Oven Warmer Drawer Zone Indicator Light Lamp14A316022503 Frigidaire Light Lamp P-118WCI 31831190218AWCI 31831190319WCI 318320204245304527842 Frigidaire Rocker Switch25WCI 31832420030WCI 31831690036WCI 318017110465304462665 Frigidaire Oven Lens Kit54A318293811 Frigidaire Oven Surface Element Switch, Large54318293810 Frigidaire Oven Switch695303288565 Frigidaire Screw84WCI 318146830