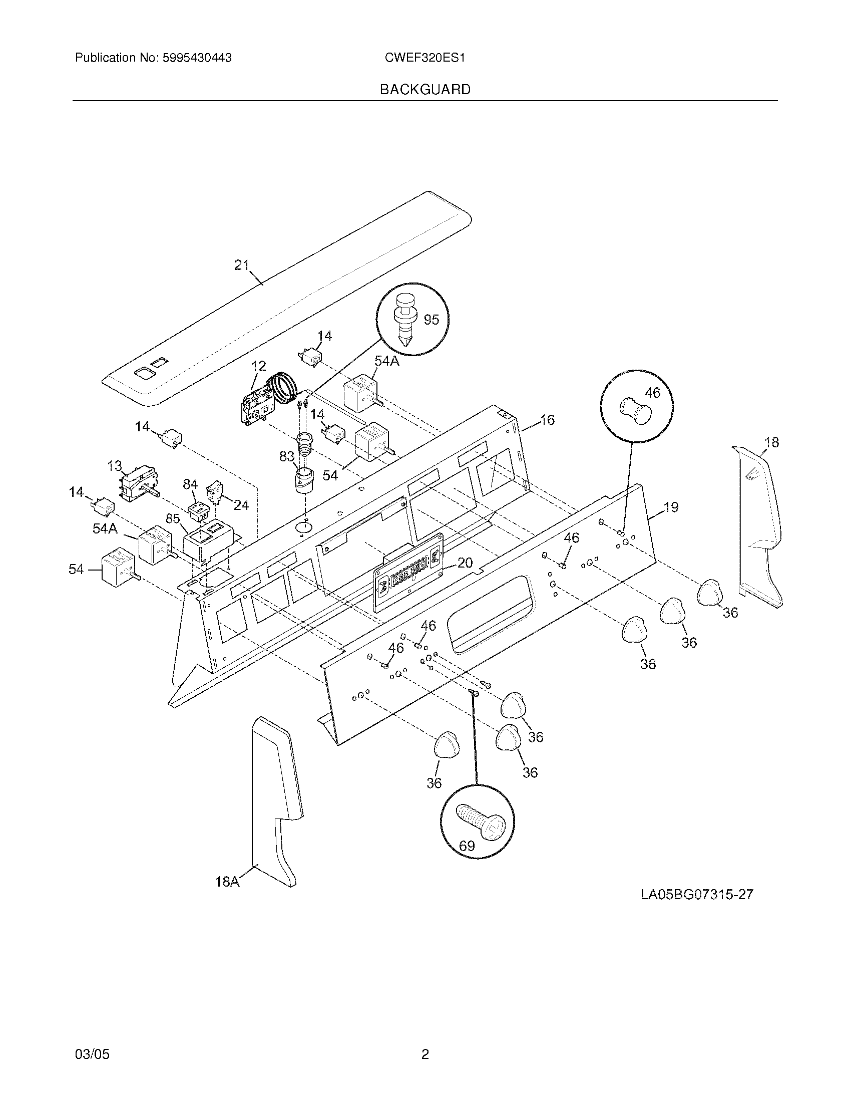
CWEF320ES1 03 – BACKGUARDadmin2025-04-26T08:53:56+00:00CWEF320ES1 03 – BACKGUARD ProductsPositionProductNI5303300265 Frigidaire Oven ScrewNISCREW,TRUSS HEAD,8-18 X 0.375NIWCI 318031241NI5303211311 Frigidaire Refrigerator Screw12318059310 Frigidaire Thermostat13WCI 31805791014WCI 530332399116WCI 31811635918AWCI 31811880118WCI 31811880019WCI 31818286520WCI 31801393321WCI 31819001224WCI 31803751336WCI 31801711046318044511 Frigidaire Oven Lens54318293810 Frigidaire Oven Switch54A318293811 Frigidaire Oven Surface Element Switch, Large695303288565 Frigidaire Screw83WCI 31811560184WCI 31814682085WCI 31817171095WCI 5303324521