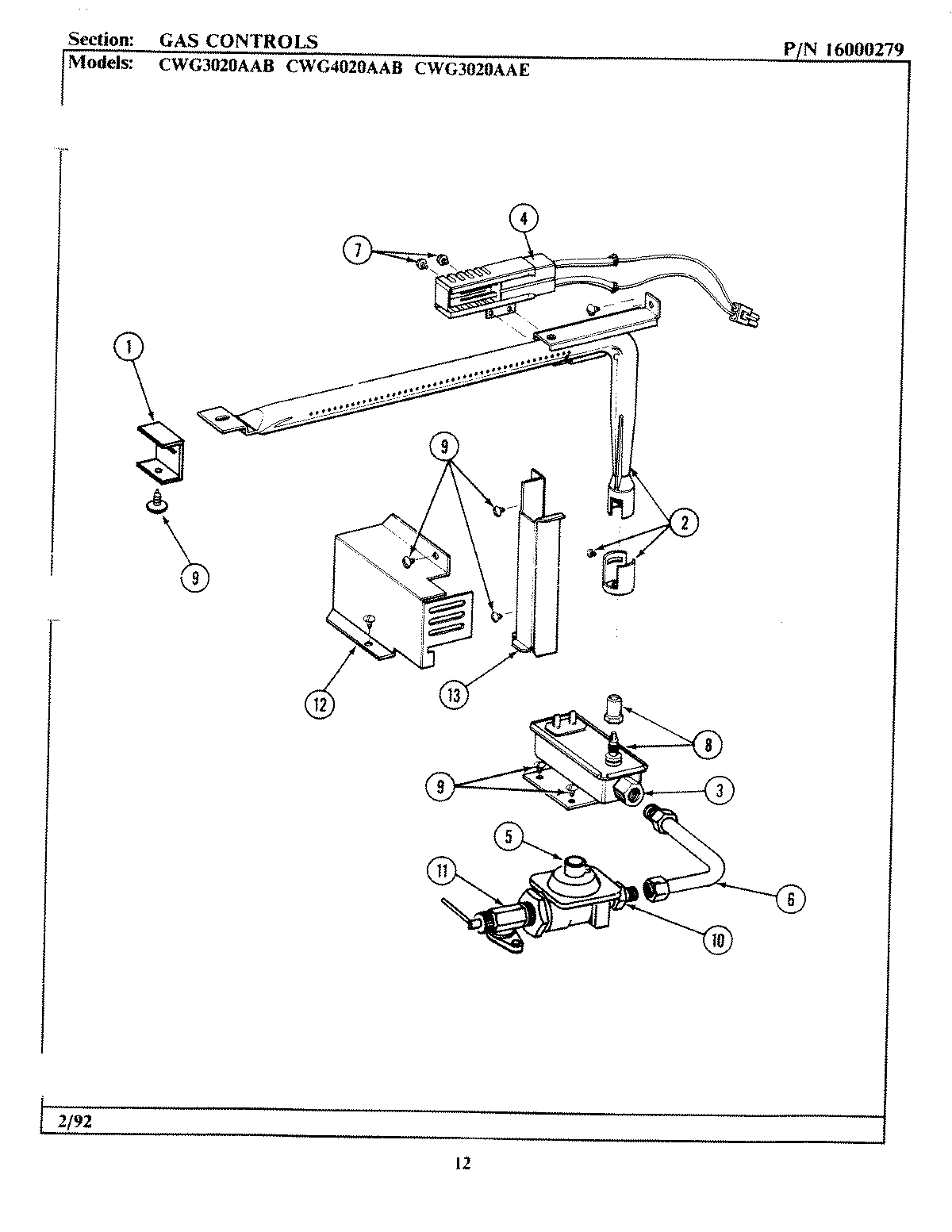
CWG3020AAB 06 – GAS CONTROLS