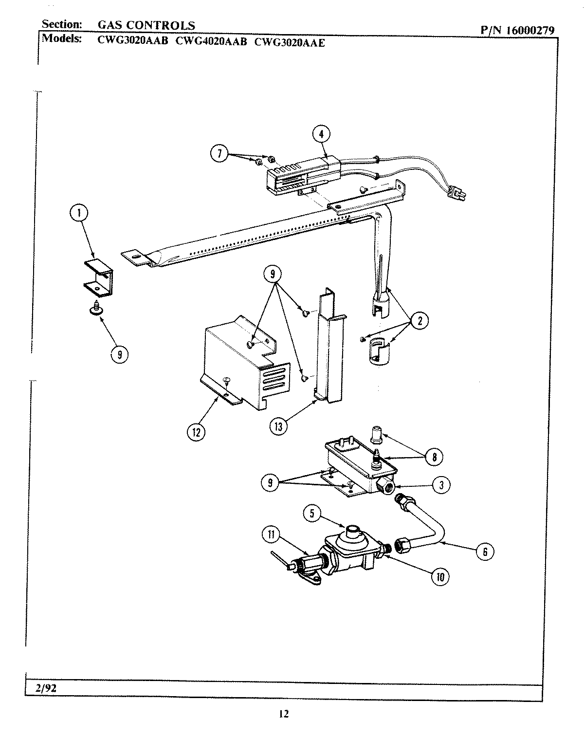
CWG3020AAB 07 – GAS CONTROLSadmin2025-04-26T08:54:59+00:00CWG3020AAB 07 – GAS CONTROLS ProductsPositionProduct1MAY 3807F295-512MAY 3403A008-453MAY 15552514MAY 7432P067-605MAY 7510P037-606MAY 3414F095-447MAY 7101P178-608MAY 7501P113-608MAY 7109P019-609WP7101P072-60 Whirlpool Screw10MAY 7507P059-6011MAY 7501P041-6012MAY 4005F335-5113MAY 3830F002-45