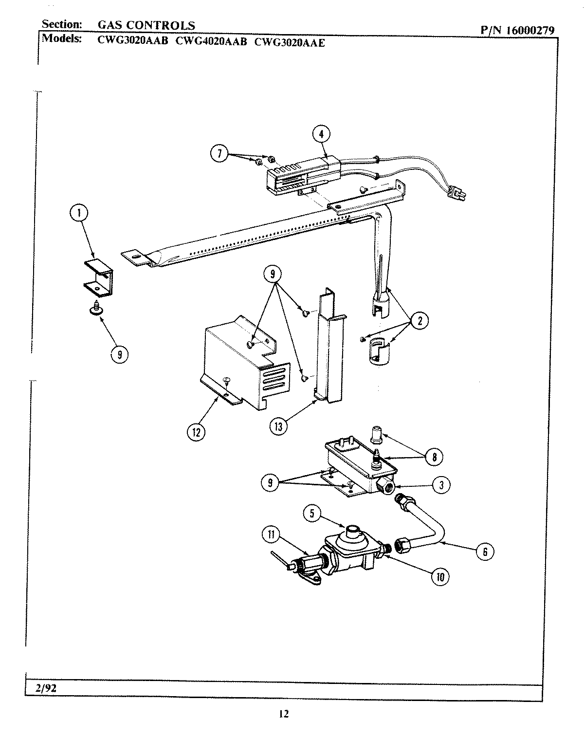
CWG4020AAB 06 – GAS CONTROLS