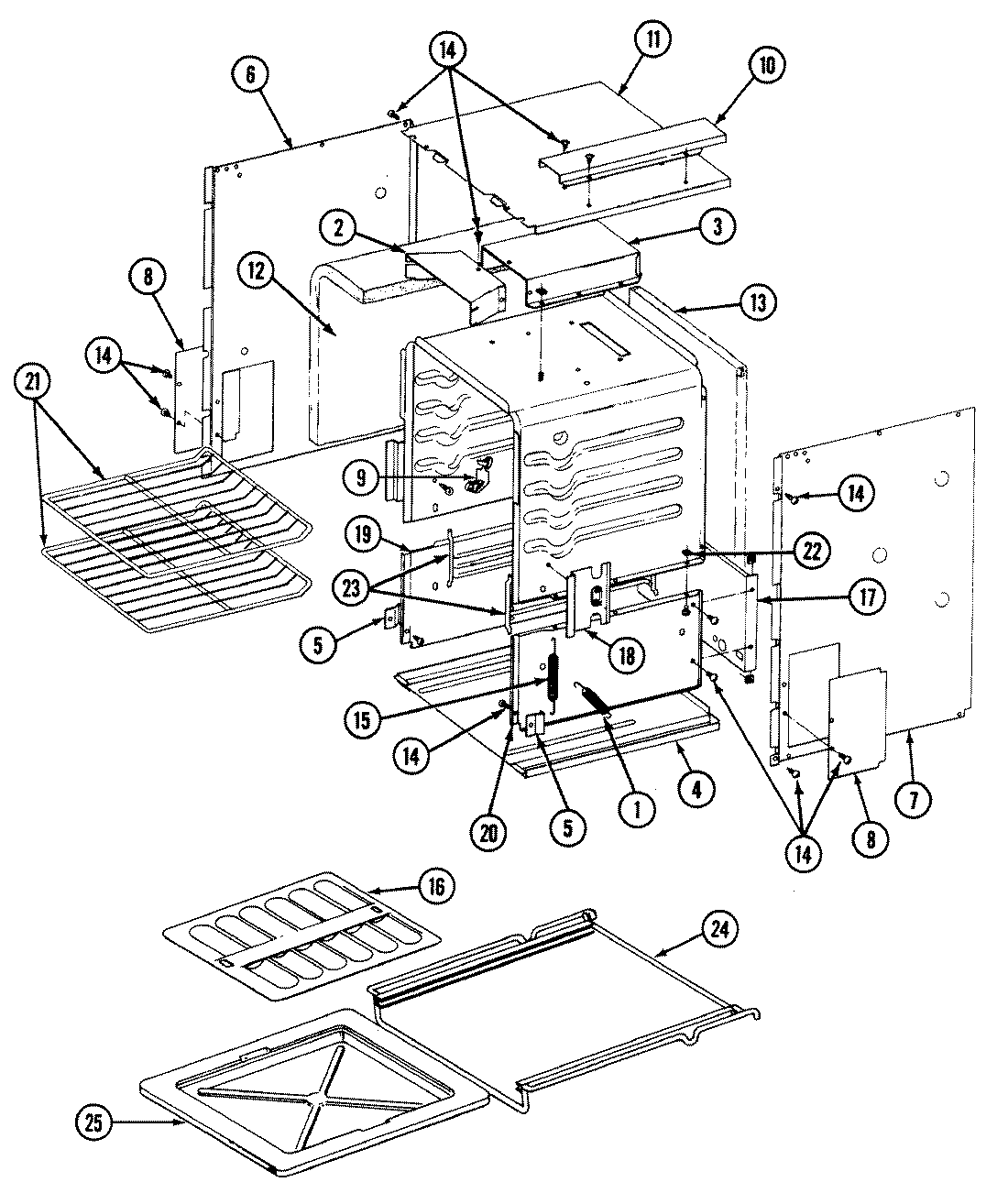
CWGA200AAB 07 – OVENadmin2025-04-26T08:55:03+00:00CWGA200AAB 07 – OVEN ProductsPositionProduct1MAY 7803P034-602MAY 3826F004-803MAY 4006W078-514MAY 4003W018-515MAY 3801F151-516MAY 2618F061-517MAY 2618F062-518MAY 4005F224-519MAY 7112P053-6010MAY 4005F240-5111MAY 3804F056-5112MAY 7002P083-6013MAY 7002P089-6014MAY 7101P356-6015MAY 7803P041-6016MAY Y3413F0161917MAY 4002F135-1918MAY 3609F003-6119MAY 2228F003-1920MAY 2228F004-1921W10282521 Whirlpool Rack22MAY 7103P071-6023MAY 7808P003-6024MAY 7801P018-6025MAY Y3401F02019