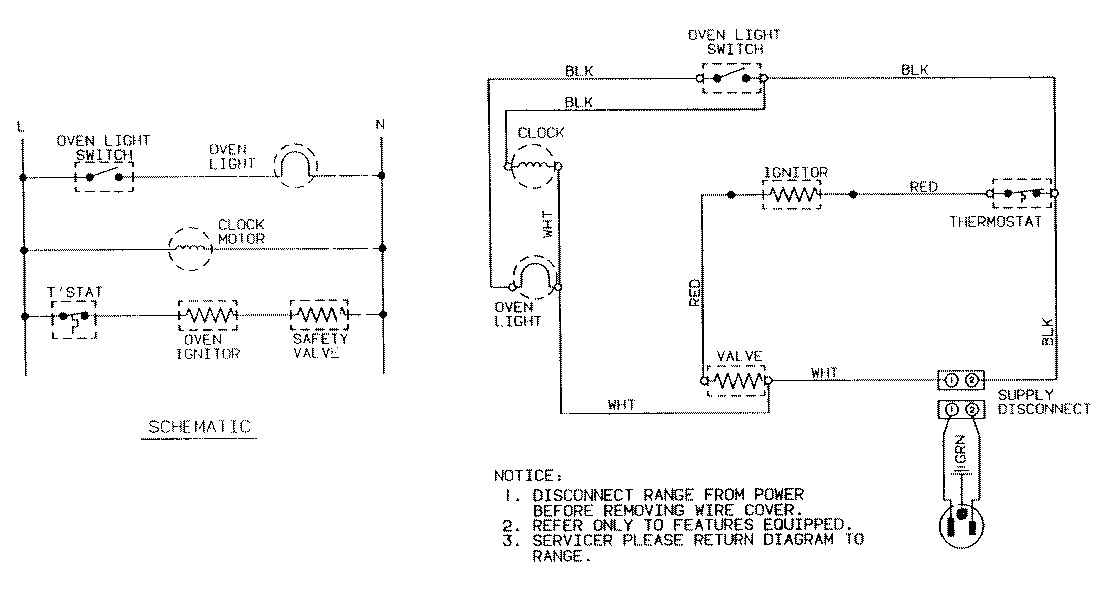
CWGA200AAB 08 – WIRING INFORMATIONadmin2025-04-26T08:54:50+00:00CWGA200AAB 08 – WIRING INFORMATION ProductsPositionProductNIMAY 15001163