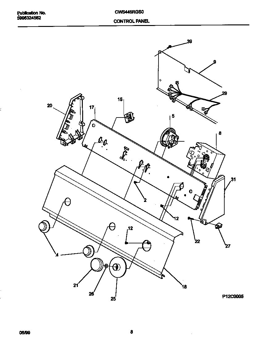
CWS445RGS0 05 – P12C0005 CONTROL PANEL