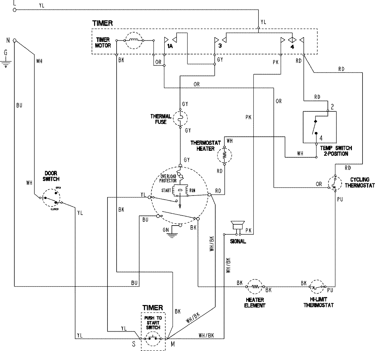
CYE3005AKW 06 – WIRING INFORMATIONadmin2025-04-26T08:54:51+00:00CYE3005AKW 06 – WIRING INFORMATION ProductsPositionProductNIMAY 15003845