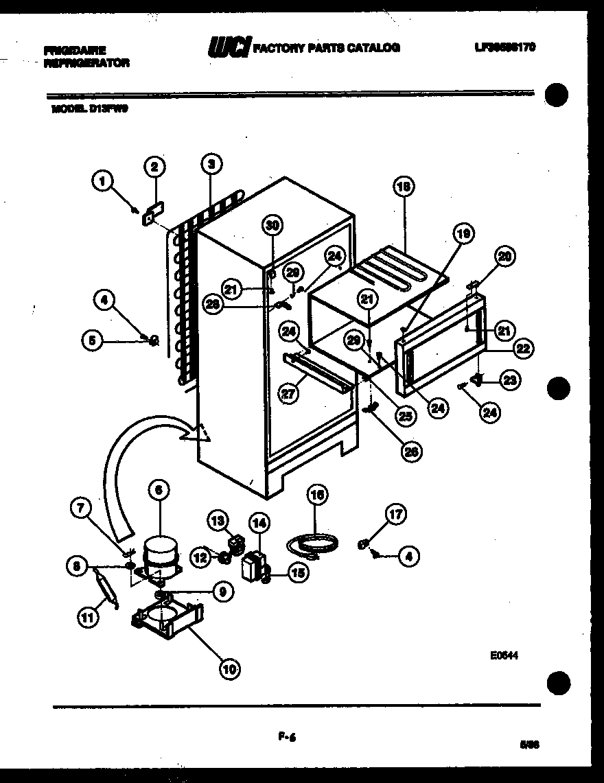
D13FA0 04 – SYSTEM AND AUTOMATIC DEFROST PARTS