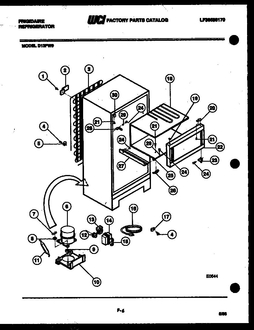
D13FL0 04 – SYSTEM AND AUTOMATIC DEFROST PARTSadmin2025-04-26T08:53:36+00:00D13FL0 04 – SYSTEM AND AUTOMATIC DEFROST PARTS ProductsPositionProduct*23491PLUG-REFRIGERATOR LINER (2)1SCREW-BRACKET MOUNTING (4) (NON-ILLUSTRATED)2BRACKET-CONDENSER MOUNTING (4)3WCI 80010124SCREW-TUBE MOUNTING (2)5CLAMP6WCI 80165587CLIP (4)8WASHER (4)9WCI 800877810WCI 800959611WCI 800002712WCI 801660413WCI 301758314WCI 801658315WCI 801658416WCI 800006416AWCI 800977817CLAMP-STRAIN RELIEF (3)18WCI 801657019WCI 800972420WCI 800974821SCREW-COVER MOUNTING (NON-ILLUSTRATED)22WCI 301839023WCI 800999724WCI 801025325WCI 801025426WCI 800979227WCI 800974928WCI 801459029WCI 800360730WCI 8014589