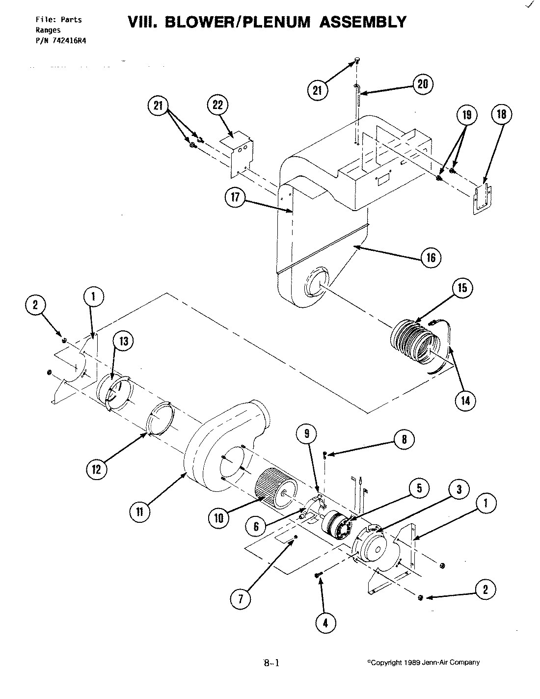
D140-C 02 – BLOWER ASSEMBLY/PLENUM (D140-C)