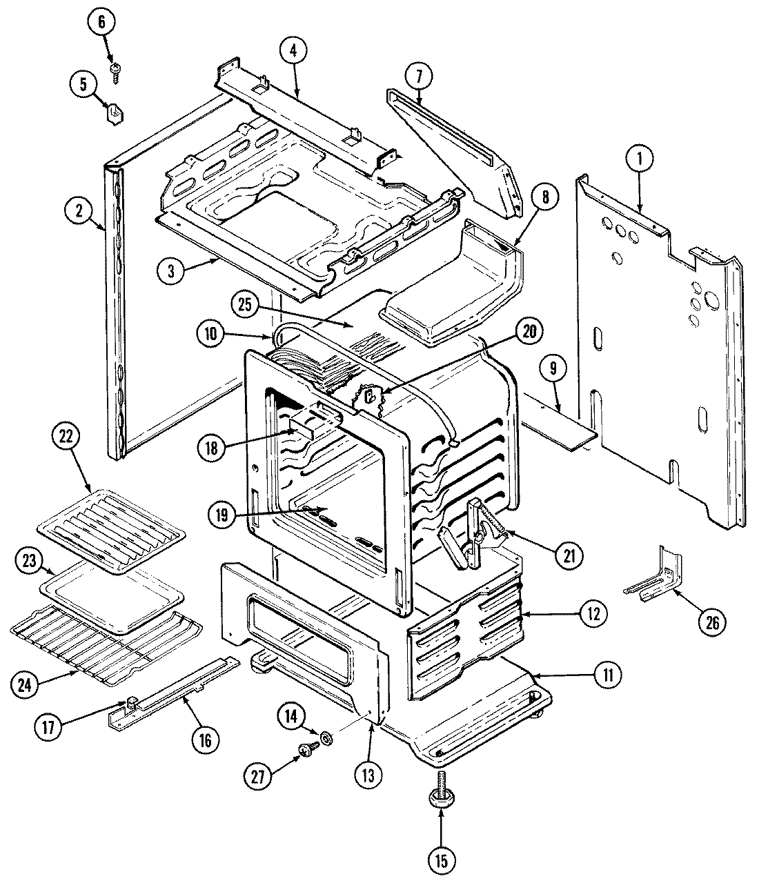
D3110PRALT 01 – BODY/OVENadmin2025-04-26T08:55:29+00:00D3110PRALT 01 – BODY/OVEN ProductsPositionProduct1MAY 4002F138-802MAY 2618F099-742MAY 2618F085-743MAY 4011F209-804MAY 3807F411-515SPACER, MAIN TOP (LT)5SPACER, MAIN TOP (RT)6MAY 7118P013-607MAY 4022W005-198MAY 4006W113-458WP74003976 Whirlpool Screw9MAY 3807F416-4510MAY 4820F001-5911MAY 4003W028-8011MAY 4003F024-8012MAY 4016F044-4513MAY 2201F073-1914MAY 8004P024-6015MAY 7101P306-6016MAY 3404F018-5116MAY 3404F021-5117MAY 8016P010-6018MAY 8114P335-6019MAY 3804F010-5019MAY 3601F229-4519MAY 7101P290-6019MAY 5504A001-1620WP7112P004-60 Whirlpool Thermal Clip21SCREW (10-24X5/16-NI)21MAY 7106P055-6022MAY Y3413F0161923MAY Y3401F0201924MAY 7801P036-6025MAY 4804F017-6025MAY 4804F018-6026MAY 3801F218-5127MAY 7101P300-60