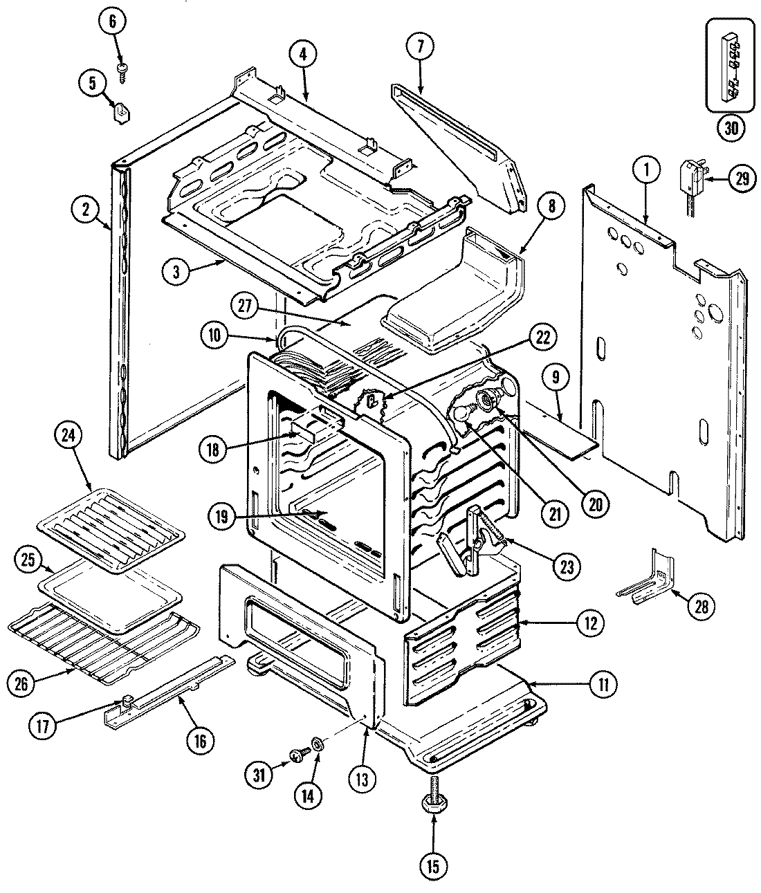
D3121WTALT 01 – BODY/OVENadmin2025-04-26T08:55:00+00:00D3121WTALT 01 – BODY/OVEN ProductsPositionProduct1MAY 740023642MAY 2618F099-743MAY 4011F224-804MAY 3807F411-515SPACER, MAIN TOP (RT)5SPACER, MAIN TOP (LT)6MAY 7118P013-607MAY 4022W005-198MAY 4006W113-458WP74003976 Whirlpool Screw9MAY 3807F416-4510MAY 4820F001-5911MAY 4003W028-8012MAY 4016F039-4513MAY 2201F077-1914MAY 7101P300-6014MAY 8004P024-6015MAY 7101P306-6016MAY 3404F021-5116MAY 3404F018-5117MAY 8016P010-6018MAY 8114P335-6019MAY 5504M004-1919MAY 7101P290-6019BAFFLE, OVEN BOTTOM19MAY 3804F010-5020WP7407P182-60 Whirlpool Lamp21MAY 7407P026-6022WP7112P004-60 Whirlpool Thermal Clip23SCREW, HINGE23MAY 7106P055-6024MAY Y3413F0161925MAY Y3401F0201926MAY 7801P036-6027MAY 4804F039-6027MAY 4804F044-6028MAY 3801F218-5129MAY 7401P037-6030MAY 7402P043-6031MAY 5125A312-6031MAY 5195D078-60