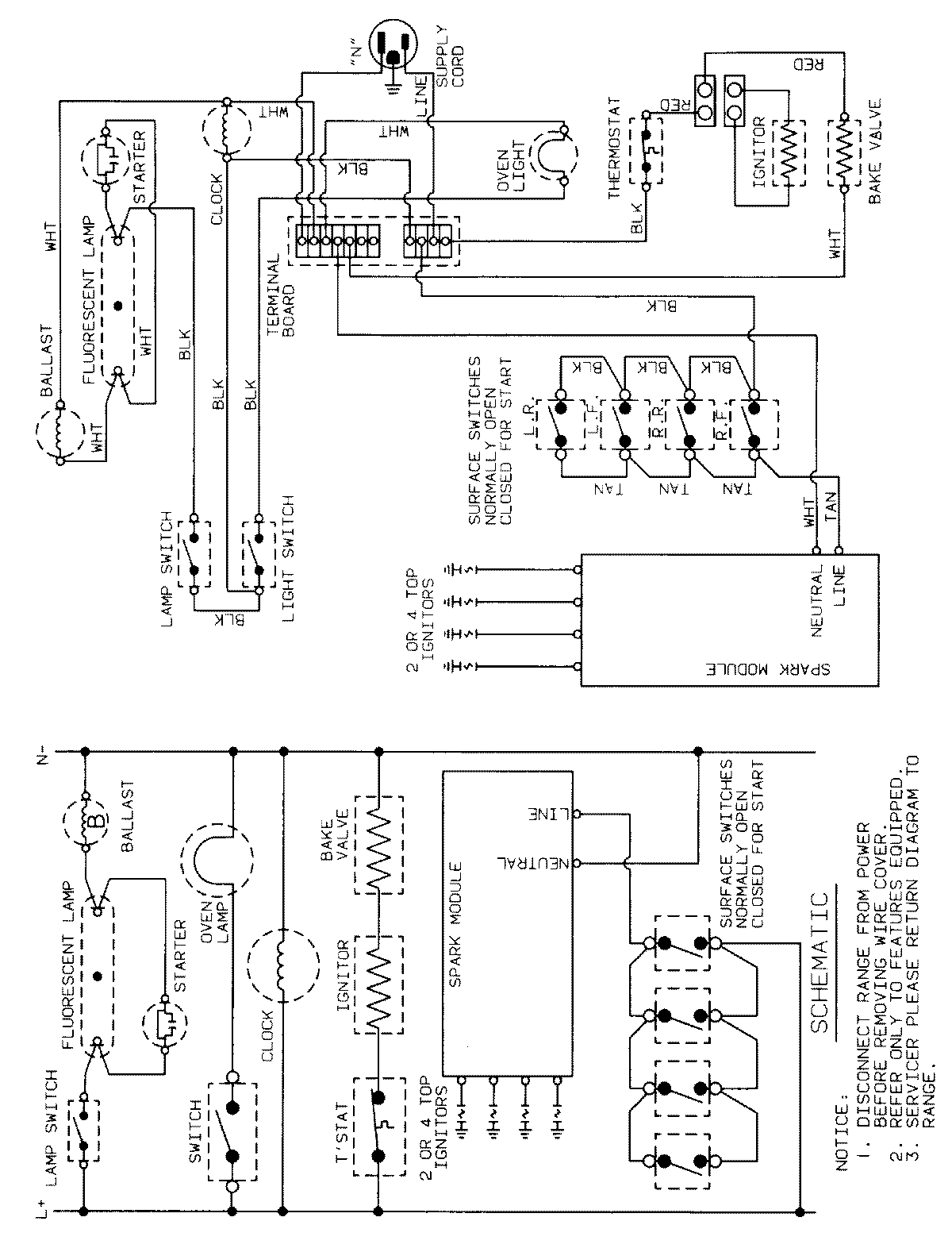
D3121WTALT 04 – WIRING INFORMATIONadmin2025-04-26T08:55:12+00:00D3121WTALT 04 – WIRING INFORMATION ProductsPositionProductNIMAY 15001339