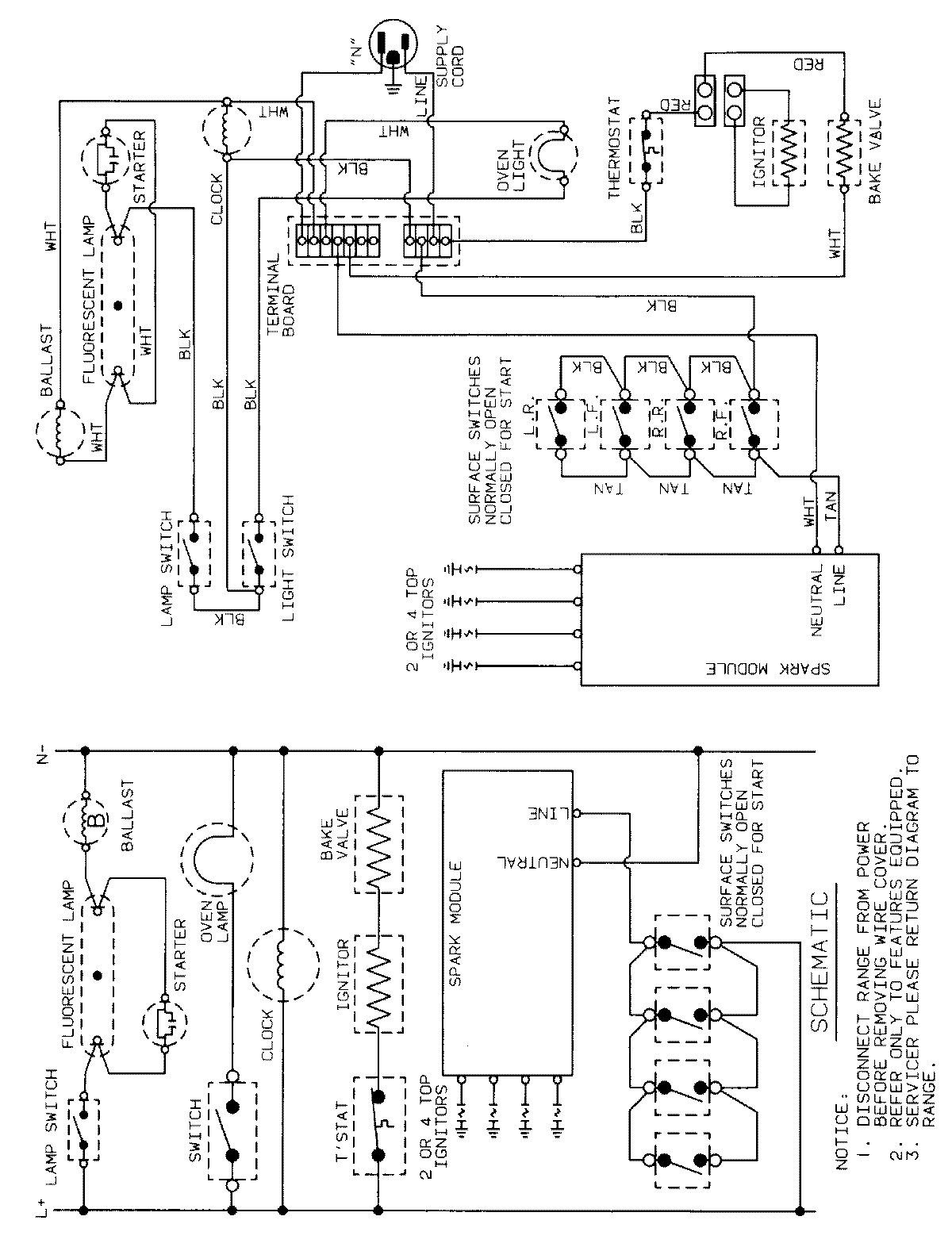
D3121XTALT 05 – WIRING INFORMATIONadmin2025-04-26T08:54:49+00:00D3121XTALT 05 – WIRING INFORMATION ProductsPositionProductNIMAY 15001339