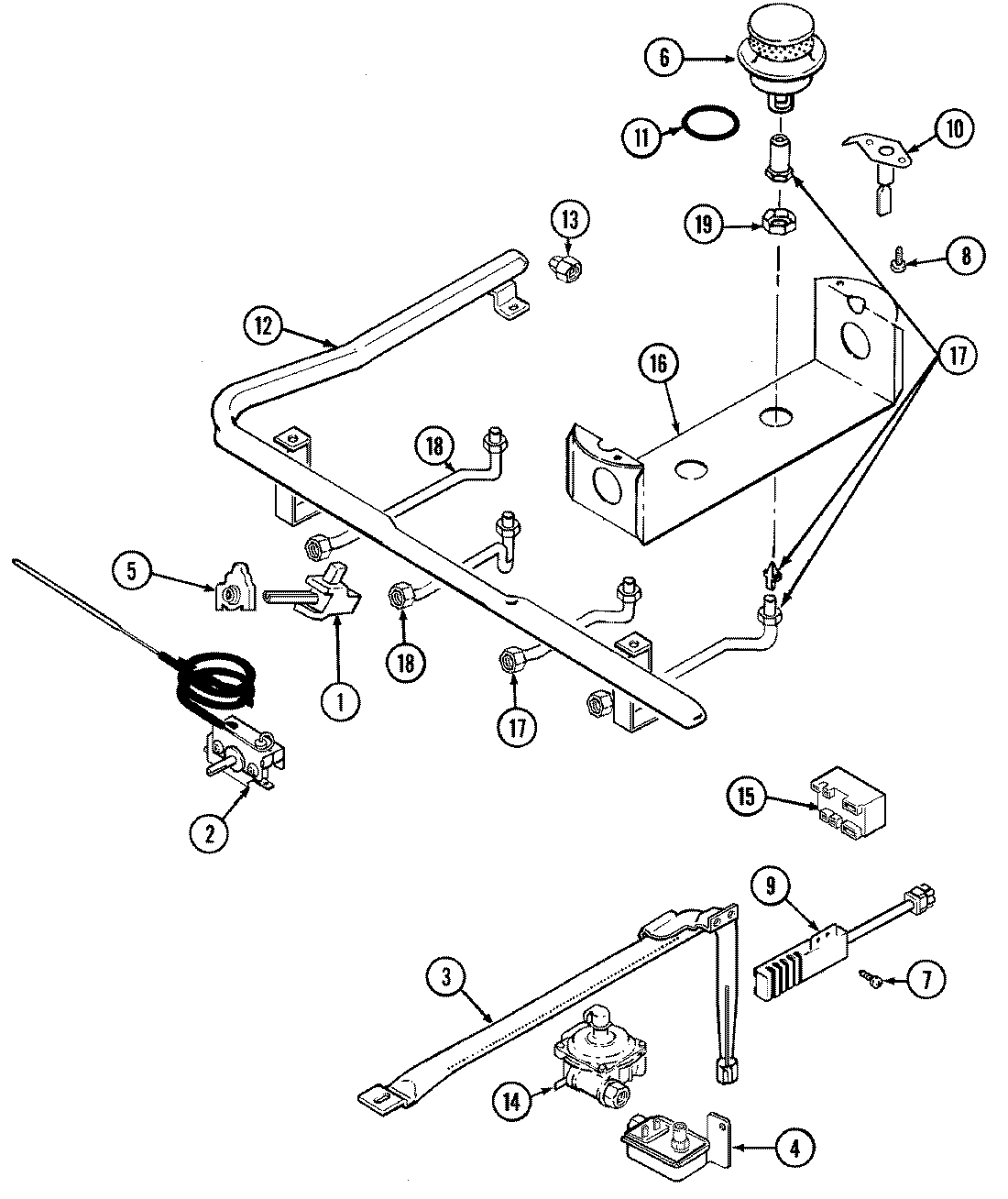
D3167XRWLT 04 – GAS CONTROLSadmin2025-04-26T08:55:02+00:00D3167XRWLT 04 – GAS CONTROLS ProductsPositionProductNIMAY 5140D038-60NIMAY 5125A312-601MAY 7502P217-601MAY 7502P250-602MAY 7404P087-602MAY 7101P280-602MAY 3604F177-513MAY 3403D023-454MAY 4005F334-514MAY 7501P138-605WP7403P279-60 Whirlpool Igniter Switch6MAY 3412D017-096MAY 3412D018-097SCREW (10-24X5/16-NI)8MAY 7101P315-609MAY 7432P067-6010NOT REQUIRED PART OR SEE NOTE FUSE (NOT REQUIRED)11MAY 7201P050-6012MAY 3414F104-4412MAY 7513P120-6013MAY 7103P130-6014MAY 7510P064-6015MAY 3807F432-4515MAY 7431P023-6016MAY 3807F444-4517MAY 7507P120-6018MAY 7507P118-6019MAY 7103P119-60