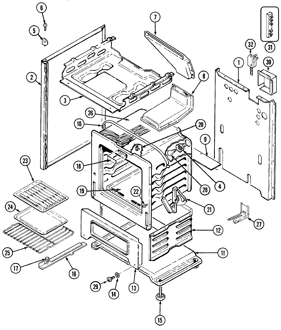
D3167XRWLT 05 – OVEN/BODYadmin2025-04-26T08:55:08+00:00D3167XRWLT 05 – OVEN/BODY ProductsPositionProduct1MAY 740023642MAY 2618F099-713MAY 4011F209-804WP7407P182-60 Whirlpool Lamp5SPACER, MAIN TOP (LT)5SPACER, MAIN TOP (RT)6MAY 7118P013-607MAY 4022W005-198MAY 4006W113-458WP74003976 Whirlpool Screw9MAY 3807F416-4510MAY 4820F001-5911MAY 4003W028-8012MAY 4016F039-4513MAY 2201F073-1914MAY 8004P024-6015MAY 7101P306-6016MAY 3404F021-5116MAY 3404F018-5117MAY 8016P010-6018MAY 8114P335-6019MAY 3804F010-5019MAY 7101P290-6019BAFFLE, OVEN BOTTOM19MAY 5504M004-1920WP7112P004-60 Whirlpool Thermal Clip21MAY 7106P055-6022SCREW, HINGE23MAY Y3413F0161924MAY Y3401F0201925MAY 7801P036-6026MAY 4804F017-6026MAY 4804F018-6027MAY 3801F218-5128MAY 7407P067-6029MAY 7101P300-6030MAY 4005F385-5131MAY 7401P037-6032MAY 7402P043-60