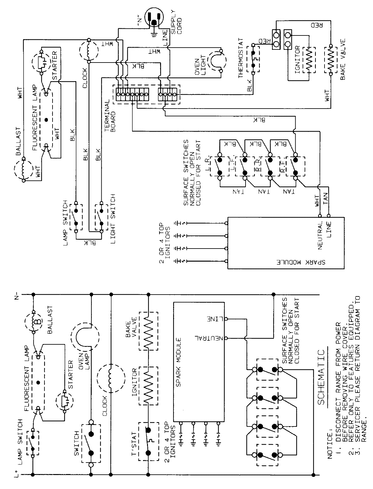
D3167XRWLT 07 – WIRING INFORMATIONadmin2025-04-26T08:55:31+00:00D3167XRWLT 07 – WIRING INFORMATION ProductsPositionProductNIMAY 15001339