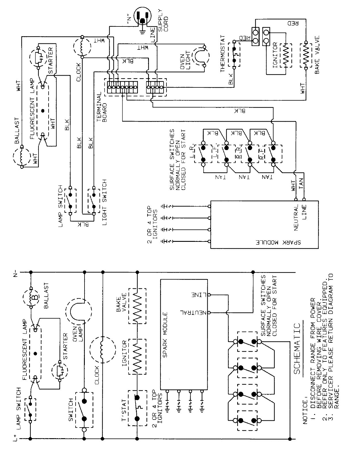
D3167XUALT 08 – WIRING INFORMATIONadmin2025-04-26T08:55:34+00:00D3167XUALT 08 – WIRING INFORMATION ProductsPositionProductNIMAY 15001339