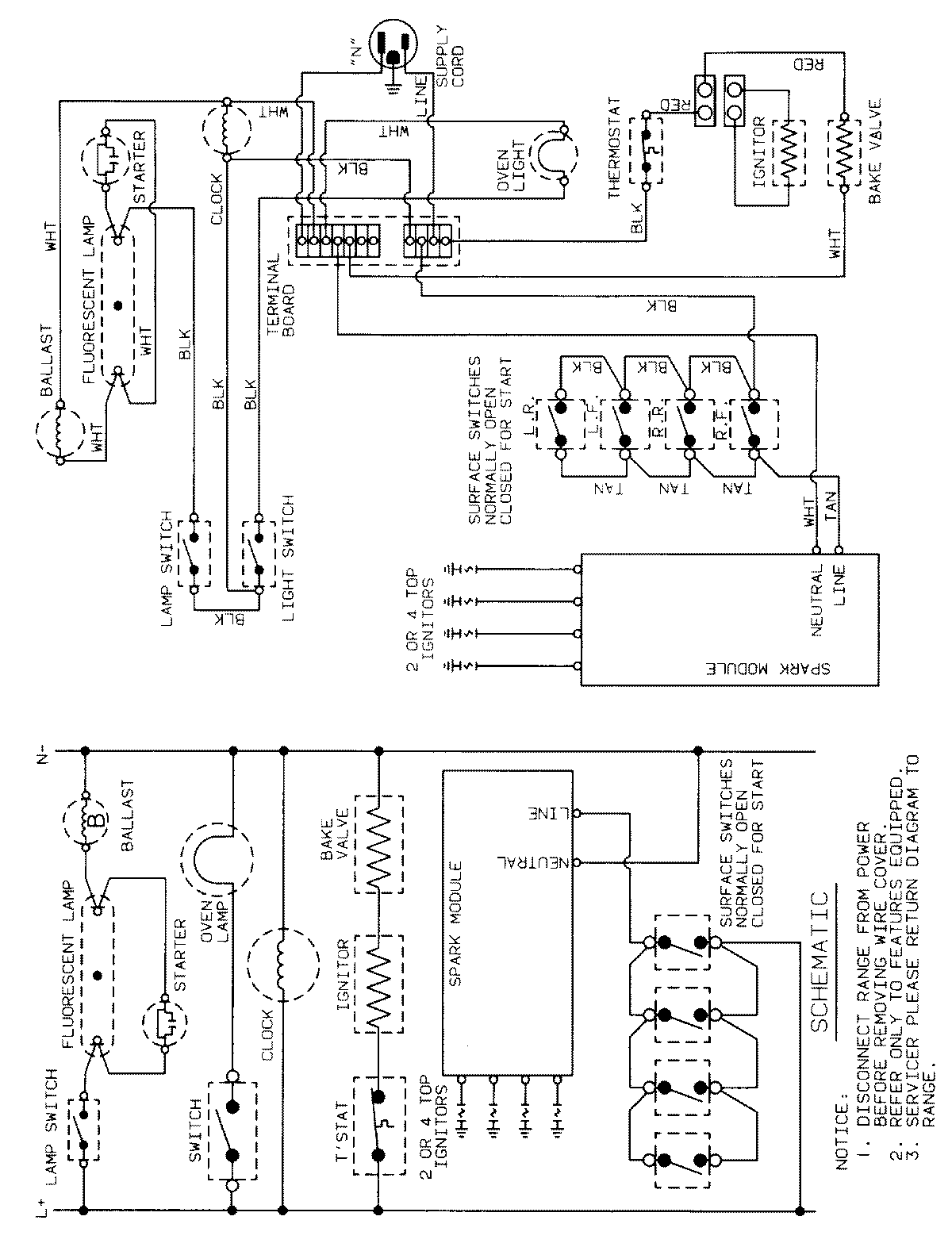
D3167XVALT 07 – WIRING INFORMATIONadmin2025-04-26T08:55:20+00:00D3167XVALT 07 – WIRING INFORMATION ProductsPositionProductNIMAY 15001339