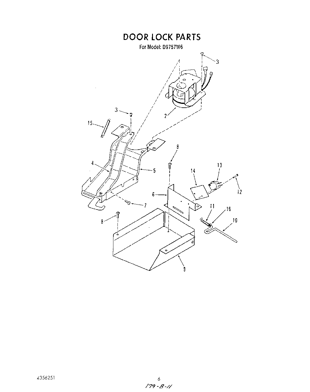
D9757^6 04 – DOOR LOCKadmin2025-04-26T10:55:03+00:00D9757^6 04 – DOOR LOCK ProductsPositionProduct2Lock Motor Asm.3Screw, No.8-32 x 3/84Lock Lever Asm.5Plate6Bracket, Door Switch7Screw No.10-32x1/28W10850756 Whirlpool Screw9Lock Box10Actuator Pin11Spring12Screw13Switch, Micro14Insulator15Spring, Lock16Washer