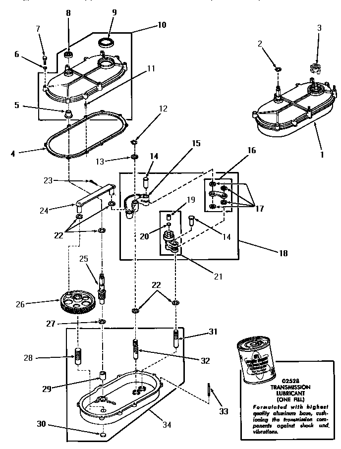
DA9103 27 – TRANSMISSION ASSYadmin2025-04-26T08:56:28+00:00DA9103 27 – TRANSMISSION ASSY ProductsPositionProductNIMAY 025281MAY 238283SEE NOTE GROUND WIRE, GREEN4MAY 200595MAY 200826MAY 031897MAY 202578MAY 202009MAY 2019910MAY 2021611MAY 2019712MAY 2375114MAY 0169015MAY 0500516MAY Y0499917MAY 2021218MAY 2022019MAY 0171120MAY Y0247921MAY 2021922MAY 0179123MAY 0257824MAY 0396925MAY 2364526MAY 0217527WASHER,.626IDX1.250ODX28MAY 0347729MAY 0199330MAY Y0276931MAY 0168832MAY 2481733MAY 2015534MAY 23927