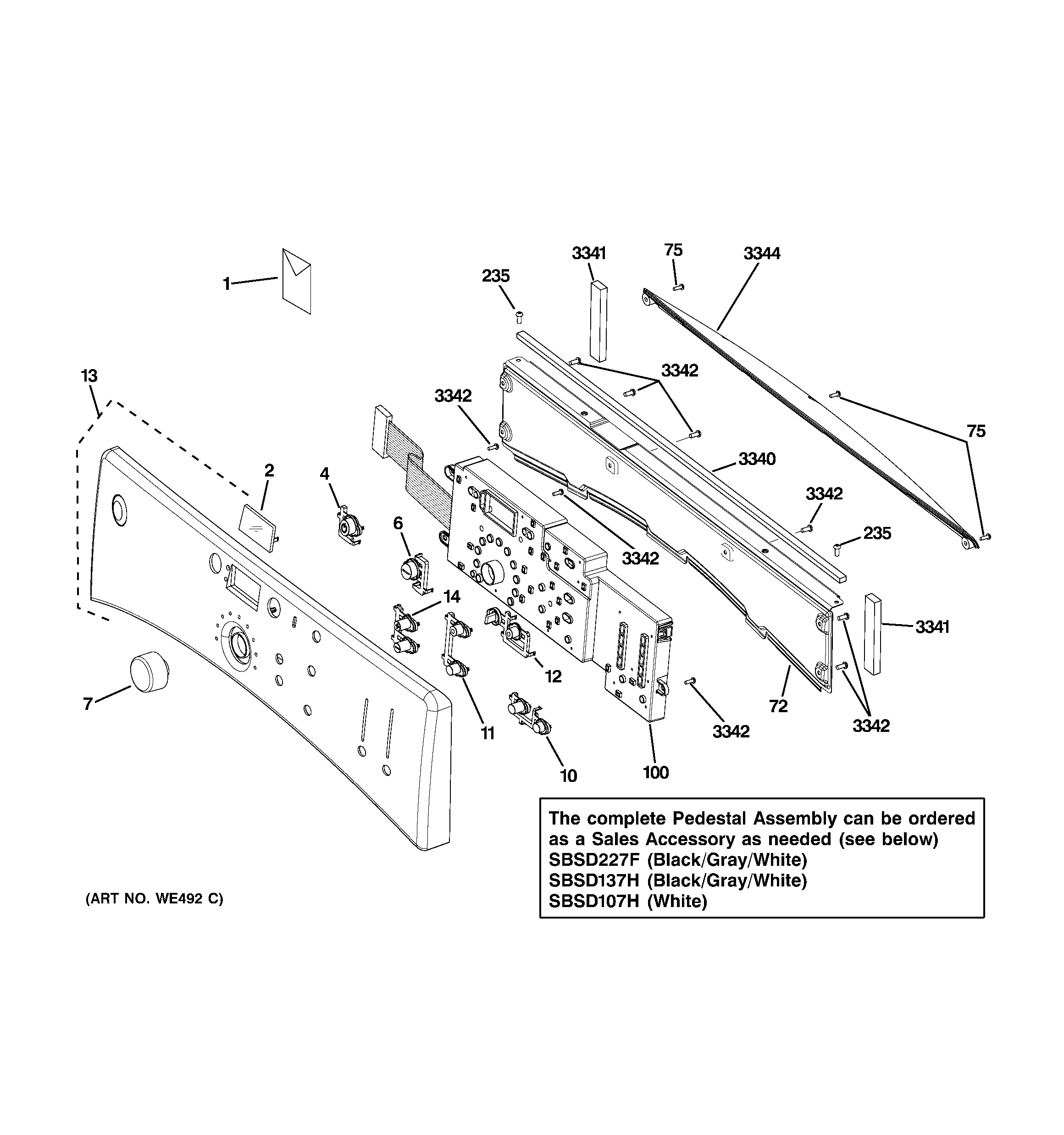
DBVH510EH2WW CONTROLS & BACKSPLASHadmin2025-04-26T08:35:12+00:00DBVH510EH2WW CONTROLS & BACKSPLASH ProductsPositionProduct1GEN 31-161521GEN 31-161221GEN 49-903162GEN WE19M15354GEN WE1M6986GEN WE1M6997GEN WE1M69610GEN WE1M70011GEN WE1M70112GEN WE1M70213GEN WE19M152114GEN WE1M70372GEN WE1M56475GEN WE2M210100GEN WE4M386235WE2X263D GE Screw Package 12 C923340GEN WE1M5653341GEN WE1M5663342WE2M302 GE Screw3344GEN WE19M1437