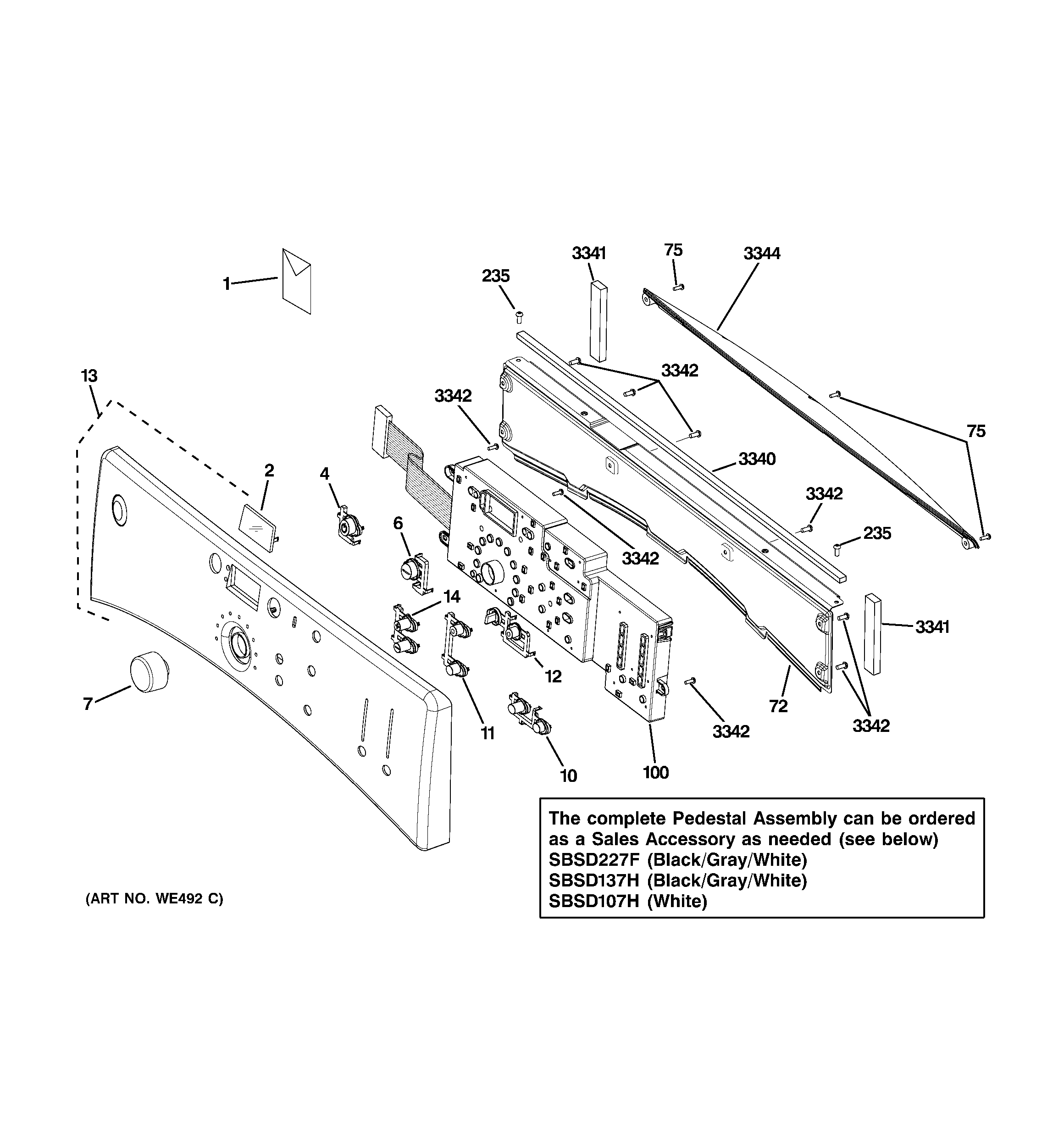
DBVH510GH3WW CONTROLS & BACKSPLASHadmin2025-04-26T08:34:58+00:00DBVH510GH3WW CONTROLS & BACKSPLASH ProductsPositionProduct1GEN 49-903381GEN 31-161531GEN 31-161891GEN 49-903162GEN WE19M15354GEN WE1M6984GEN WE1M5576GEN WE1M5596GEN WE1M6997GEN WE1M6967GEN WE1M59210GEN WE1M70010GEN WE1M56011GEN WE1M56111GEN WE1M70112GEN WE1M70212GEN WE1M56213GEN WE19M152114GEN WE1M70314GEN WE1M56372GEN WE1M56475GEN WE2M210100GEN WE4M386235WE2X263D GE Screw Package 12 C923340GEN WE1M5653341GEN WE1M5663342WE2M302 GE Screw3344GEN WE19M1437