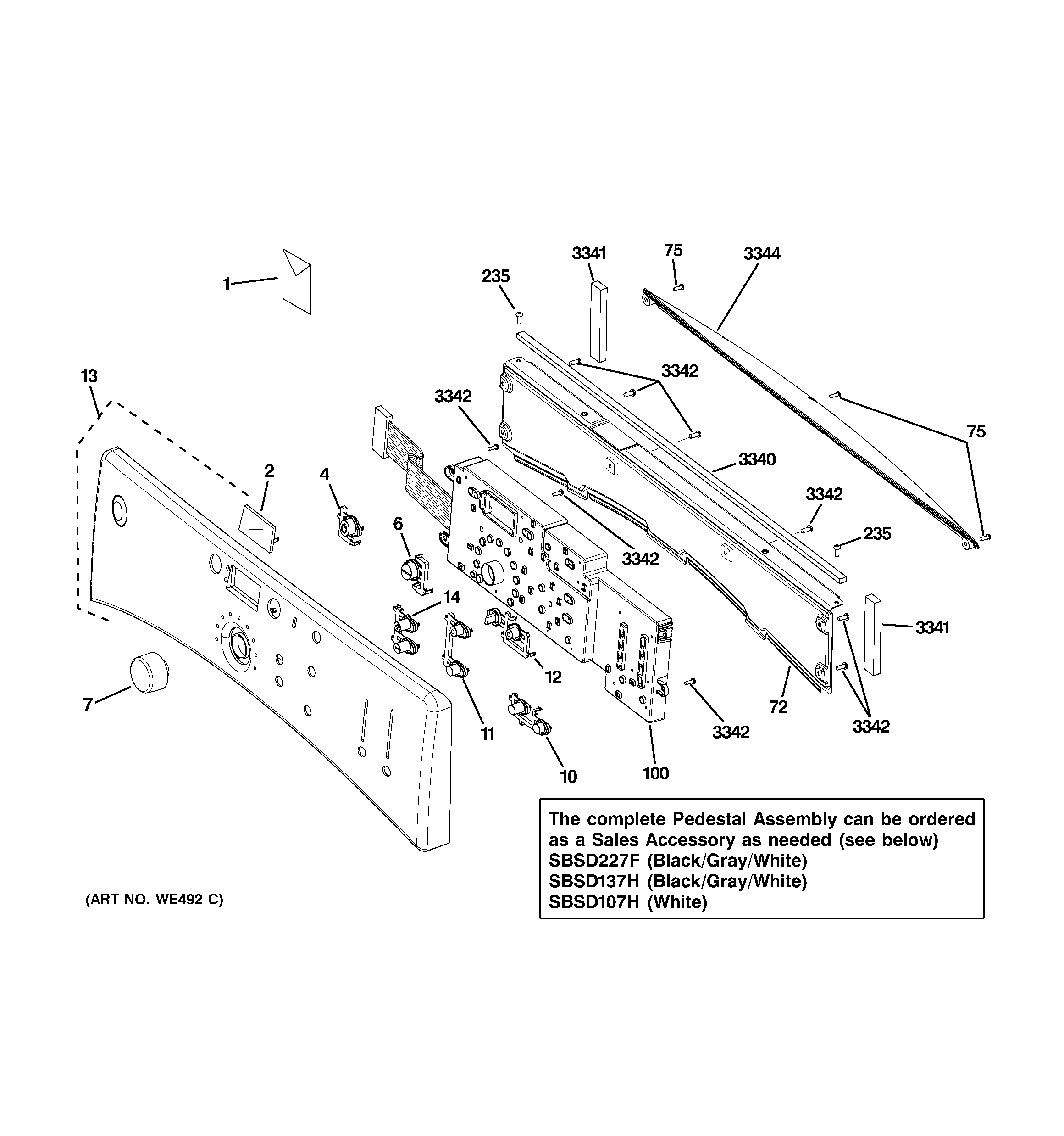
DBVH520EJ1WW CONTROLS & BACKSPLASHadmin2025-04-26T08:35:07+00:00DBVH520EJ1WW CONTROLS & BACKSPLASH ProductsPositionProduct1GEN 31-161221GEN 49-903381GEN 31-161522GEN WE19M15354GEN WE1M5576GEN WE1M5597GEN WE1M59210GEN WE1M56011GEN WE1M56112GEN WE1M56213GEN WE19M152114GEN WE1M56372GEN WE1M56475GEN WE2M210100GEN WE4M386235WE2X263D GE Screw Package 12 C923340GEN WE1M5653341GEN WE1M5663342WE2M302 GE Screw3344GEN WE19M1437