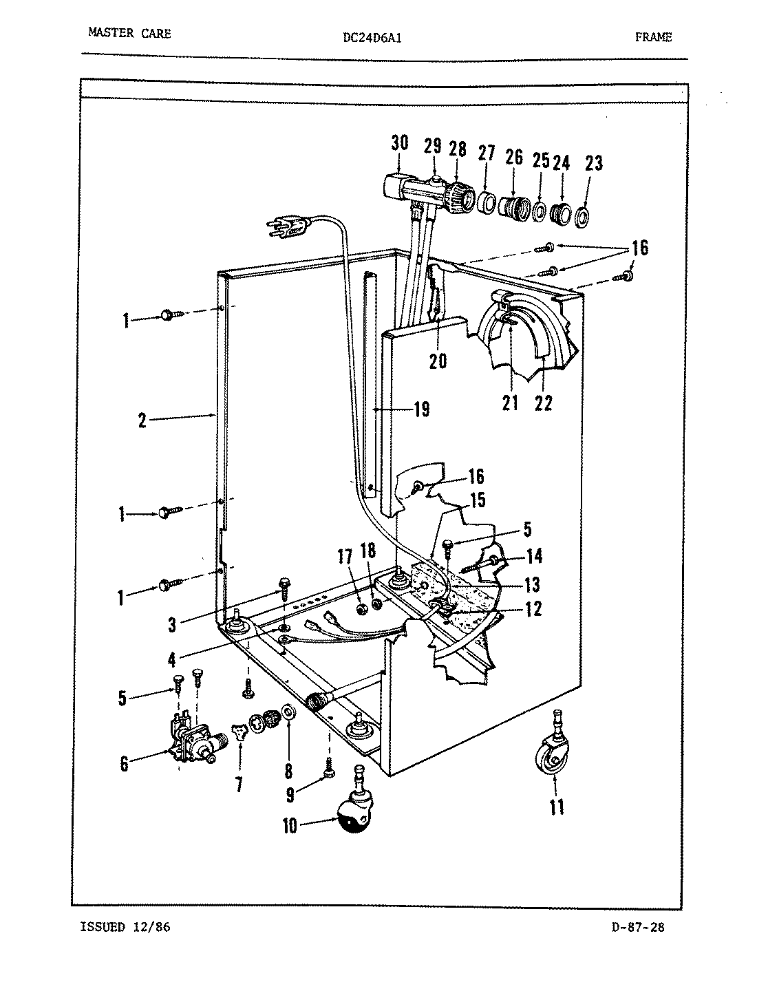
DC24D6A1 05 – FRAMEadmin2025-04-26T08:56:29+00:00DC24D6A1 05 – FRAME ProductsPositionProduct1MAY 8065392FRAME ASM AM3MAY 8079514MAY 8073735MAY 8079506INLET VALVE KIT7FLOW WASHER8HOSE WASHER9MAY 80865810FRONT CASTER11MAY 80854312MAY 80442613POWER CORD14MAY 80861215MAY 80861516MAY 80750117MAY 80866118MAY 80861319HOSE GUARD20HOSE GUIDE21HOSE CLAMP22HOSE SUPPORT23MAY 80339324ADAPTOR25MAY 80339226AERATOR27U PACKING28COLLAR KIT29RELIEF KIT30HOSE ASM