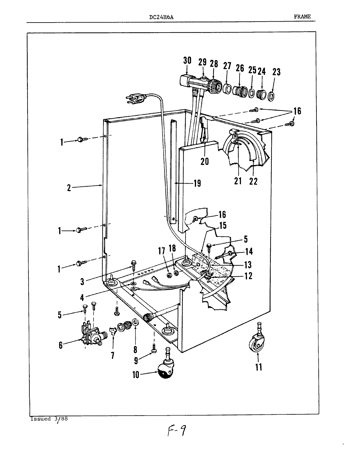
DC24H6A 04 – FRAMEadmin2025-04-26T08:56:56+00:00DC24H6A 04 – FRAME ProductsPositionProduct1MAY 8065392AVOCADO FRAME2COFFEE FRAME2FRAME ASM AM2GOLD WHT FRAME2WHITE FRAME3MAY 8079514MAY 8073735MAY 8079506INLET VALVE KIT7FLOW WASHER8HOSE WASHER9MAY 80865810FRONT CASTER11MAY 80894411MAY 80854312MAY 80442613POWER CORD14MAY 80861215MAY 80861516MAY 80750117MAY 80866118MAY 80861319HOSE GUARD20HOSE GUIDE21HOSE CLAMP22HOSE SUPPORT23MAY 80339324ADAPTOR25MAY 80339226AERATOR27U PACKING28COLLAR KIT29RELIEF KIT30HOSE ASM