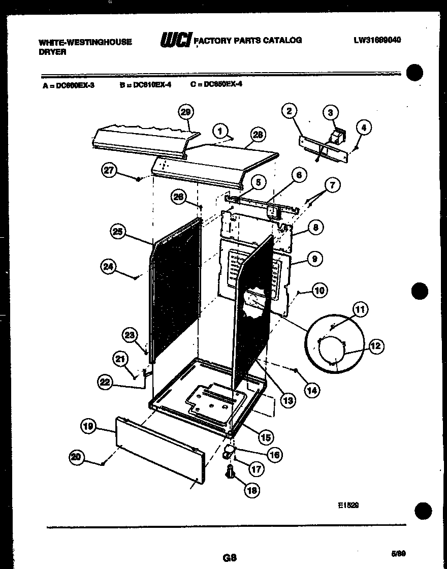
DC600EXW3 03 – CABINET PARTSadmin2025-04-26T08:53:57+00:00DC600EXW3 03 – CABINET PARTS ProductsPositionProduct2WCI F1404130003WCI F1404150006WCI F1388400268REAR PANEL-UPPER9WCI Q00019906112WCI Q00019906213PANEL-RH, WHITE14131205500 Frigidaire Screw15WCI F14039702616WCI F00013703017SCREW18LEG LEVELING19WCI F13885503219ACCESS PANEL-ALMD20WCI F00013013922WCI F00130049425WCI Q00019900625WCI Q00019900826WCI F000064066275303015671 Frigidaire Bracket Termination Screw28WCI F140428432