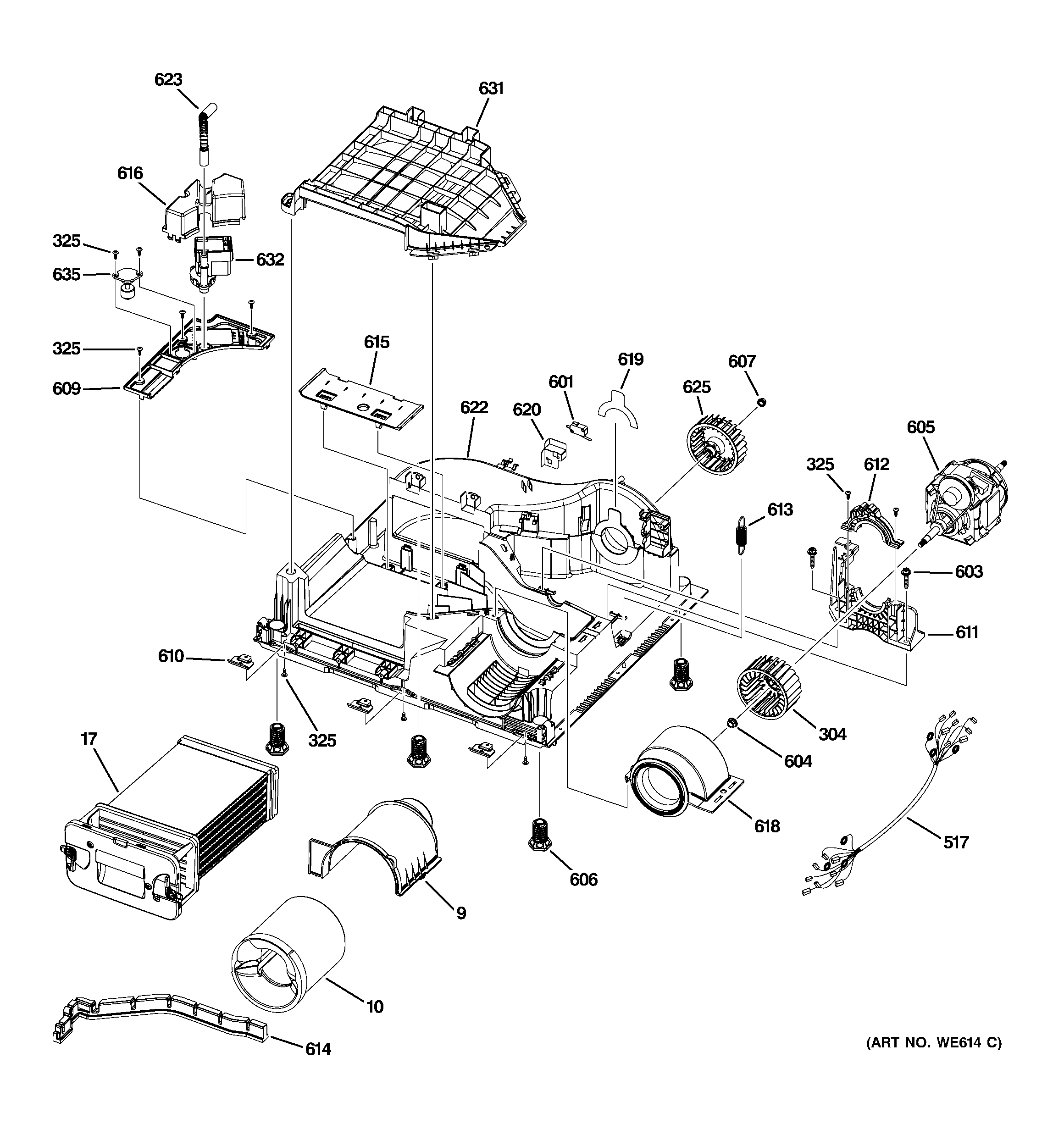
DCCH480EK0WW MOTOR & BLOWER ASSEMBLYadmin2025-04-26T08:35:07+00:00DCCH480EK0WW MOTOR & BLOWER ASSEMBLY ProductsPositionProduct9GEN WE11X1002310GEN WE01X1032017GEN WE11X10022304GEN WE16X10005325WH02X10289 GE Scraper (M4 L14)517GEN WE15X10010601WE04X28083 GE Belt Switch603WH02X10299 GE Screw M6.5 L25604WE02X10084 GE Blower Wheel Nut605GEN WE17X10014606WE01X10255 GE Leveling Leg607GEN WE02X10097609GEN WE01X10303610GEN WE01X10306611GEN WE13X10046612GEN WE13X10047613GEN WE02X10101614GEN WE09X10023615GEN WE01X10315616GEN WE01X10316618GEN WE01X10318619GEN WE01X10346620GEN WE01X10321622GEN WE20X10136623GEN WE01X10338625GEN WE16X10006631GEN WE01X10317632GEN WE01X10297635GEN WE04X10169