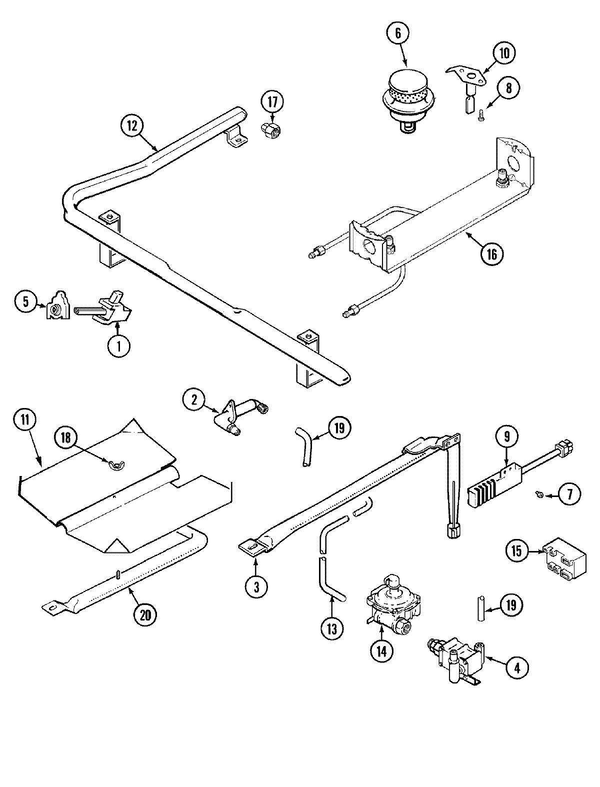
DCF3305BK 04 – GAS CONTROLS