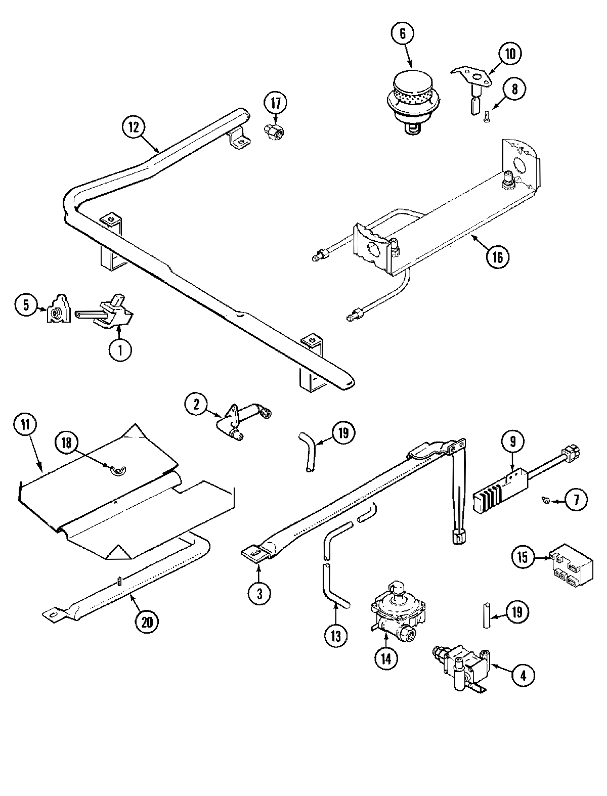
DCF3305BT 04 – GAS CONTROLSadmin2025-04-26T08:56:34+00:00DCF3305BT 04 – GAS CONTROLS ProductsPositionProductNISEE NOTE GROUND WIRE, GREEN1MAY 710032311MAY 740043031MAY 740039241WP8273096 Whirlpool Screw2MAY 740064212MAY 740043073MAY 740039603MAY 3807F446-454WP74006427 Whirlpool Oven Valve5MAY 740070955WP7403P279-60 Whirlpool Igniter Switch6WP3412D024-09 Whirlpool Oven Burner Head7SCREW (10-24X5/16-NI)8MAY Y7071139MAY 7432P075-609MAY 4005F421-451074004053 Whirlpool Range Cooktop Top Burner Electrode Spark Igniter11MAY 3601F217-4712MAY 7400642213MAY 7400642814WP74006429 Whirlpool Regulator158215557 Whirlpool Gas Stove Range Oven Cooktop Spark Module16MAY 7400352816WP5787M052-60 Whirlpool Fitting17MAY 7103P130-6018NUT, WING19MAY 7400643020MAY 74004076