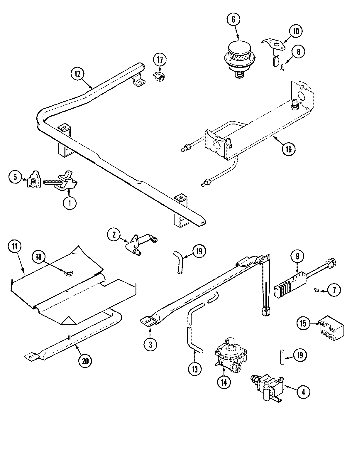
DCF3315AW 04 – GAS CONTROLSadmin2025-04-26T08:56:35+00:00DCF3315AW 04 – GAS CONTROLS ProductsPositionProductNIMAY 740099131MAY 710032311MAY 740039241WP8273096 Whirlpool Screw1MAY 740043032MAY 740043072MAY 740064213MAY 740039603MAY 3807F446-454WP74006427 Whirlpool Oven Valve5MAY 740025335WP7403P279-60 Whirlpool Igniter Switch6WP3412D024-26 Whirlpool Oven Surface Burner Head7SCREW (10-24X5/16-NI)8MAY Y7071139MAY 7432P075-609MAY 4005F421-451074004053 Whirlpool Range Cooktop Top Burner Electrode Spark Igniter11MAY 3601F217-4711MAY 7400923112MAY 7400642213MAY 7400642814WP74006429 Whirlpool Regulator14MAY 74007780158215557 Whirlpool Gas Stove Range Oven Cooktop Spark Module16MAY 7400352816WP5787M052-60 Whirlpool Fitting17MAY 7103P130-6018NUT, WING19MAY 7400643020MAY 7400407621NOT REQUIRED PART OR SEE NOTE FUSE (NOT REQUIRED)