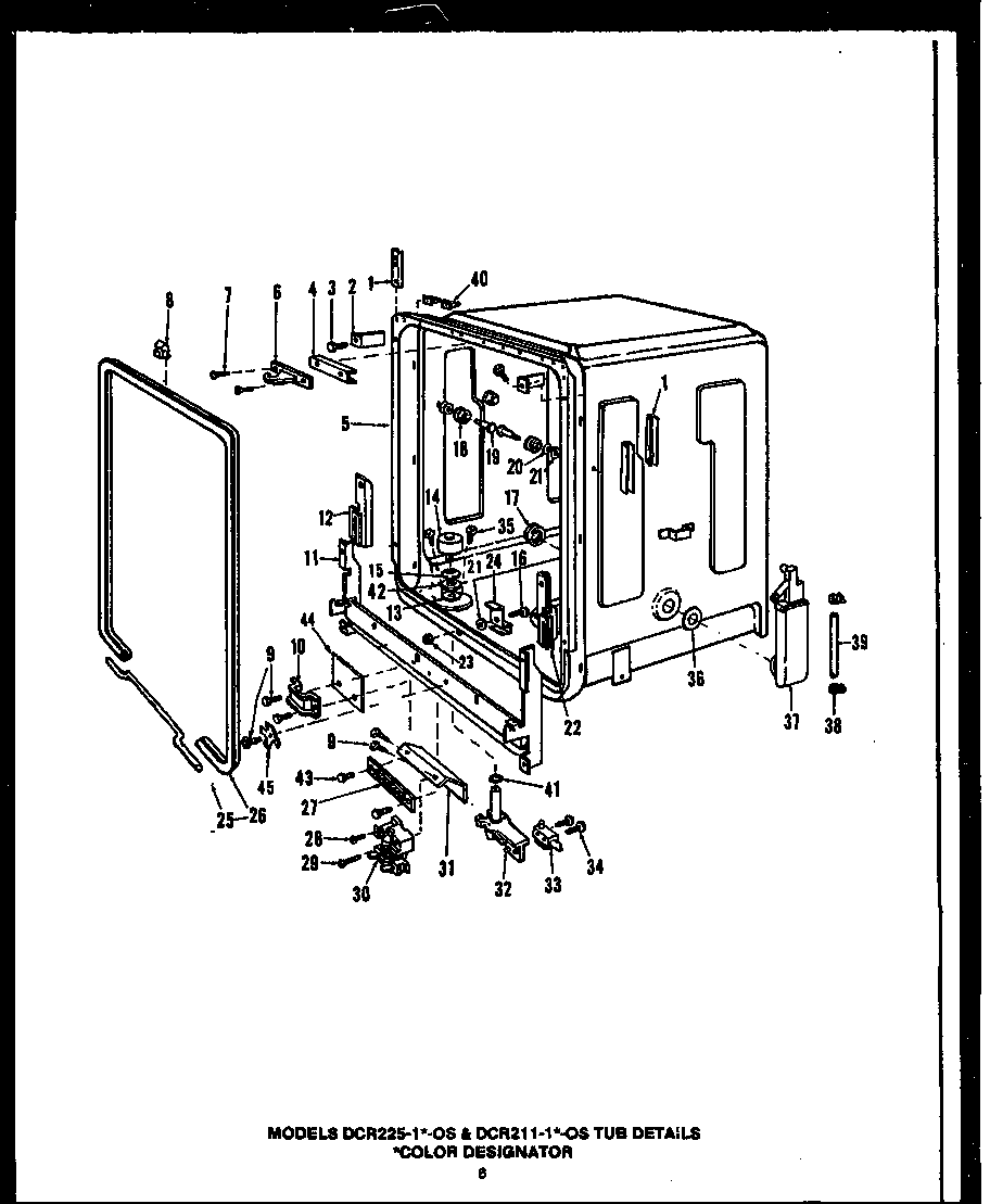
DCR21101COS 04 – Page 3