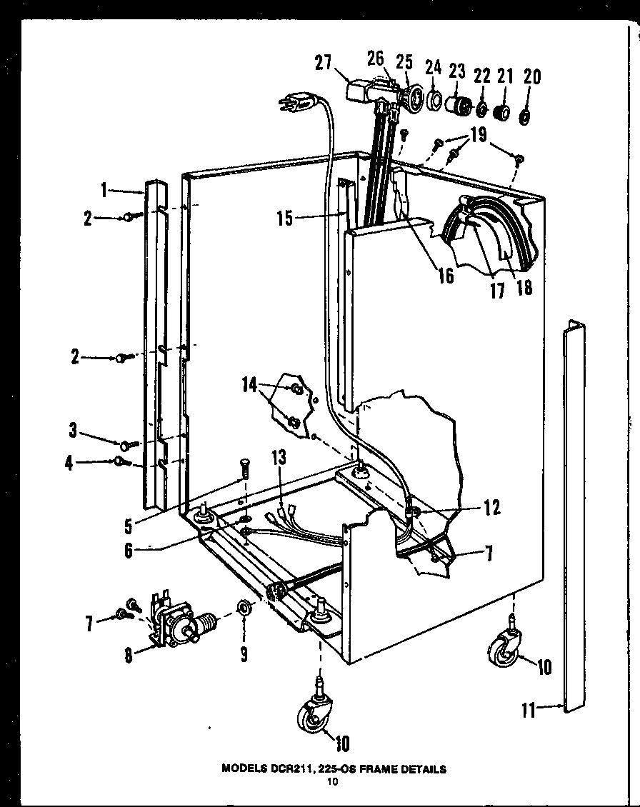
DCR21101NOS 05 – Page 5admin2025-04-26T08:56:41+00:00DCR21101NOS 05 – Page 5 ProductsPositionProductNIMAY 00908961MAY 08069022MAY 08065393MAY 08066634MAY Y08034165MAY 08079516MAY 08073737MAY 08045188MAY Y08049829MAY Y080078710MAY 080617111MAY 080690312MAY Y080442613MAY 080504614MAY Y080788315MAY 080812016MAY 080585917MAY 080614218MAY 080614319MAY Y080750120MAY Y080339321MAY Y080078222MAY Y080339223MAY Y080314924MAY Y080658425MAY Y080749926MAY 080749827MAY Y0807496