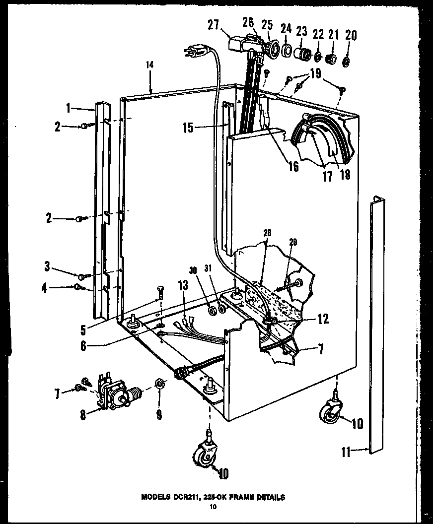
DCR2111NOK 04 – FRAME DETAILSadmin2025-04-26T08:56:44+00:00DCR2111NOK 04 – FRAME DETAILS ProductsPositionProductNIMAY 0090896NIMAY 08084321MAY 08069022MAY 08065393MAY 08066634MAY Y08034165MAY 08079516MAY 08073737MAY Y08079508MAY Y08084319MAY Y080078710MAY 080617111MAY 080690312MAY Y080442613MAY 080504614SEE NOTE GROUND WIRE, GREEN15MAY 080812016MAY 080585917MAY 080614218MAY 080614319MAY Y080750120MAY Y080339321MAY Y080078222MAY Y080339223MAY Y080314924MAY Y080658425MAY Y080749926MAY 080749827MAY Y080749628MAY 080861529MAY 080681230MAY 080861431MAY 0808613