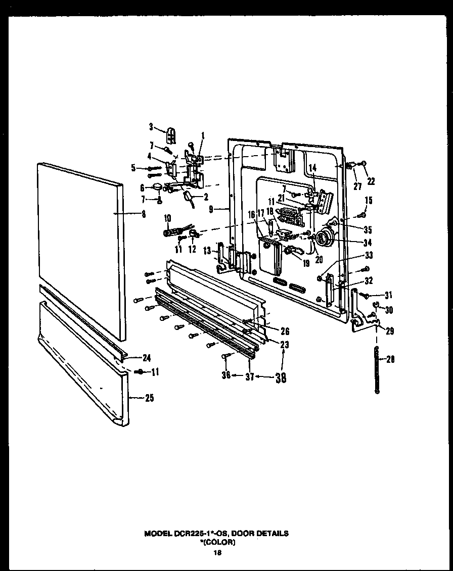
DCR22501FOS 01 – DOOR DETAILSadmin2025-04-26T08:56:29+00:00DCR22501FOS 01 – DOOR DETAILS ProductsPositionProduct1MAY Y08070162MAY 08068463MAY 08074504MAY Y08070435MAY 08030516MAY 08063987MAY 08068308MAY 8076418MAY 08072628MAY 8075958MAY 08076438MAY 08076429MAY 080719410THERMOSTAT KIT11MAY Y080341612MAY Y080534013MAY 080568214MAY 080721315MAY 080696716MAY Y080675317MAY 080675718MAY 080675619MAY Y080684320MAY Y080506321MAY Y080721222MAY 080697623MAY 080905624MAY 080691225MAY 080806925MAY 080808125MAY 080808225MAY 080808425MAY 080808326MAY 080681027MAY 080744928MAY Y080568329MAY Y080568130MAY 080588431MAY 080331132MAY Y080671733MAY 080092834MAY 080563135MAY 080686336MAY Y080833037MAY Y080833138MAY 0808369