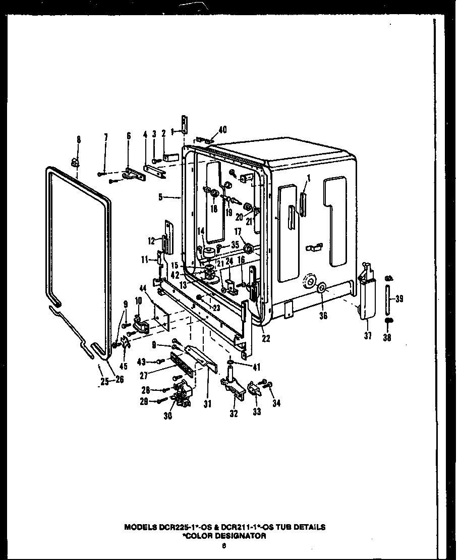
DCR22501NOS 02 – Page 3admin2025-04-26T08:56:49+00:00DCR22501NOS 02 – Page 3 ProductsPositionProduct1MAY 08070382MAY 8074543MAY 08065394MAY 08070735MAY 08081876MAY Y08070157MAY Y08068908MAY Y08057639MAY 080683010MAY 80572311MAY Y080788512MAY Y080747013MAY Y080806314MAY Y080463015MAY 080414916MAY Y080331917MAY 080566918MAY 080718019MAY 080718120MAY 080336721MAY 080577622MAY Y080747123MAY 080334624MAY 080811525MAY 080834426MAY Y080834527MAY 080748628MAY Y080659329MAY 080467230MAY 080612131MAY 080784932MAY Y080767733MAY Y080768034MAY 080459435MAY Y080726836MAY Y080357337MAY Y080647038MAY Y080781339MAY 080789140MAY 080701841MAY Y080775942MAY Y080806443MAY Y080750144MAY 080801345MAY 0807213